EasyManua.ls Logo

Viessmann B2TB004 - Page 37

Viessmann B2TB004
60 pages
Print Icon
To Next Page IconTo Next Page
To Next Page IconTo Next Page
To Previous Page IconTo Previous Page
To Previous Page IconTo Previous Page
Loading...
37
5461 889 - 16
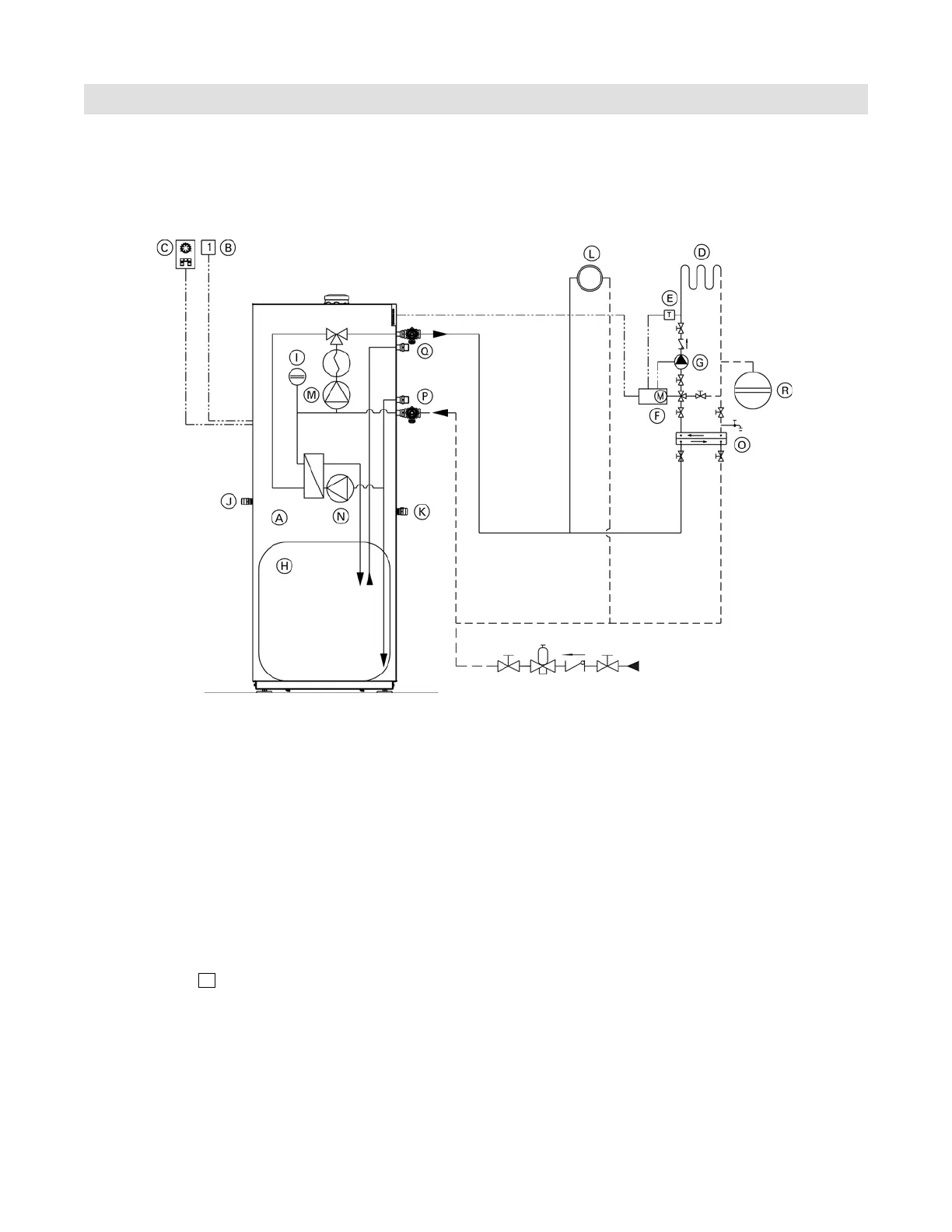
Vitodens 222-F, B2TB 19, 35, 68, 125 Installation
Installation Examples
System Layout 6
Vitodens 222-F, B2TB with...
- Integrated DHW production
- one direct-connected heating circuit
- one heating circuit with system separation
Installation of different heating circuits...
two heating circuits with 3-way mixing valve
(low-temp. circuit)
DHW production
... with the following flow conditions:
The total flow rate of the two heating circuits is greater
than the maximum possible water flow rate of the
Vitodens 222-F B2TB boiler (see page 30 for maximum
water flow rate of boiler).
The use of a low-loss header is strongly recommended.
The low-loss header is available as accessory part.
The 3-way mixing valve, built-in to achieve the low-
temperature level of the under floor heating circuit, is
controlled by an accessory kit for a heating circuit with
a mixing valve.
Legend
A Vitodens 222-F B2TB boiler with
Vitotronic 200, HO1B outdoor reset control
B Outdoor temperature sensor !
C Vitotrol remote (optional)
D Under floor heating circuit
E Mixing valve temperature sensor ?
F Accessory kit for heating circuit with mixing valve
G Heating circuit pumps
H DHW storage tank
I Integral expansion tank
J Pressure relief valve outlet
K Temperature and pressure relief valve outlet
L Radiator heating circuit
M Boiler pump
20
N DHW circulating pump sA
O Plate exchanger for system separation
P DCW inlet
Q DHW outlet
R Expansion tank

Table of Contents

Related product manuals