EasyManua.ls Logo

Viessmann B2TB004 - Alternative Connection

Viessmann B2TB004
60 pages
Print Icon
To Next Page IconTo Next Page
To Next Page IconTo Next Page
To Previous Page IconTo Previous Page
To Previous Page IconTo Previous Page
Loading...
5461 889 - 16
40
Vitodens 222-F, B2TB 19, 35, 68, 125 Installation
Installation Examples
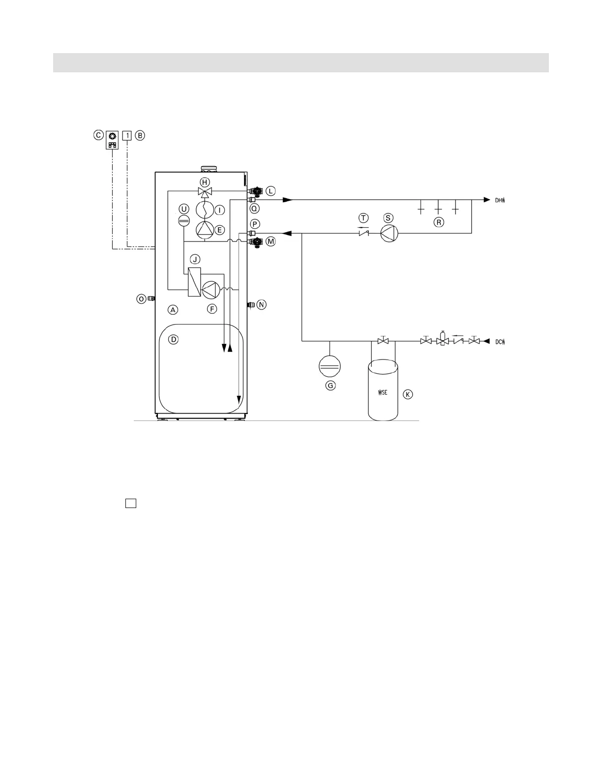
Alternative Connection
The following piping diagram reflects the connection for the DHW system to boiler.
Legend
A Boiler
B Outdoor temperature sensor !
C Vitotrol remote (optional)
D DHW storage tank
E Boiler pump 20
F DHW circulating pump sA
G Expansion tank
H Diverting valve
I Boiler heat exchanger
J DHW heat exchanger
K Water softener
L Boiler supply
M Boiler return
N Temperature and pressure relief valve outlet
O Pressure relief valve outlet
P DCW inlet
Q DHW outlet
R DHW users
S DHW recirculation pump
T Flow check valve
U Integral expansion tank

Table of Contents

Related product manuals