EasyManua.ls Logo

Viessmann B2TB004 - Page 39

Viessmann B2TB004
60 pages
Print Icon
To Next Page IconTo Next Page
To Next Page IconTo Next Page
To Previous Page IconTo Previous Page
To Previous Page IconTo Previous Page
Loading...
39
5461 889 - 16
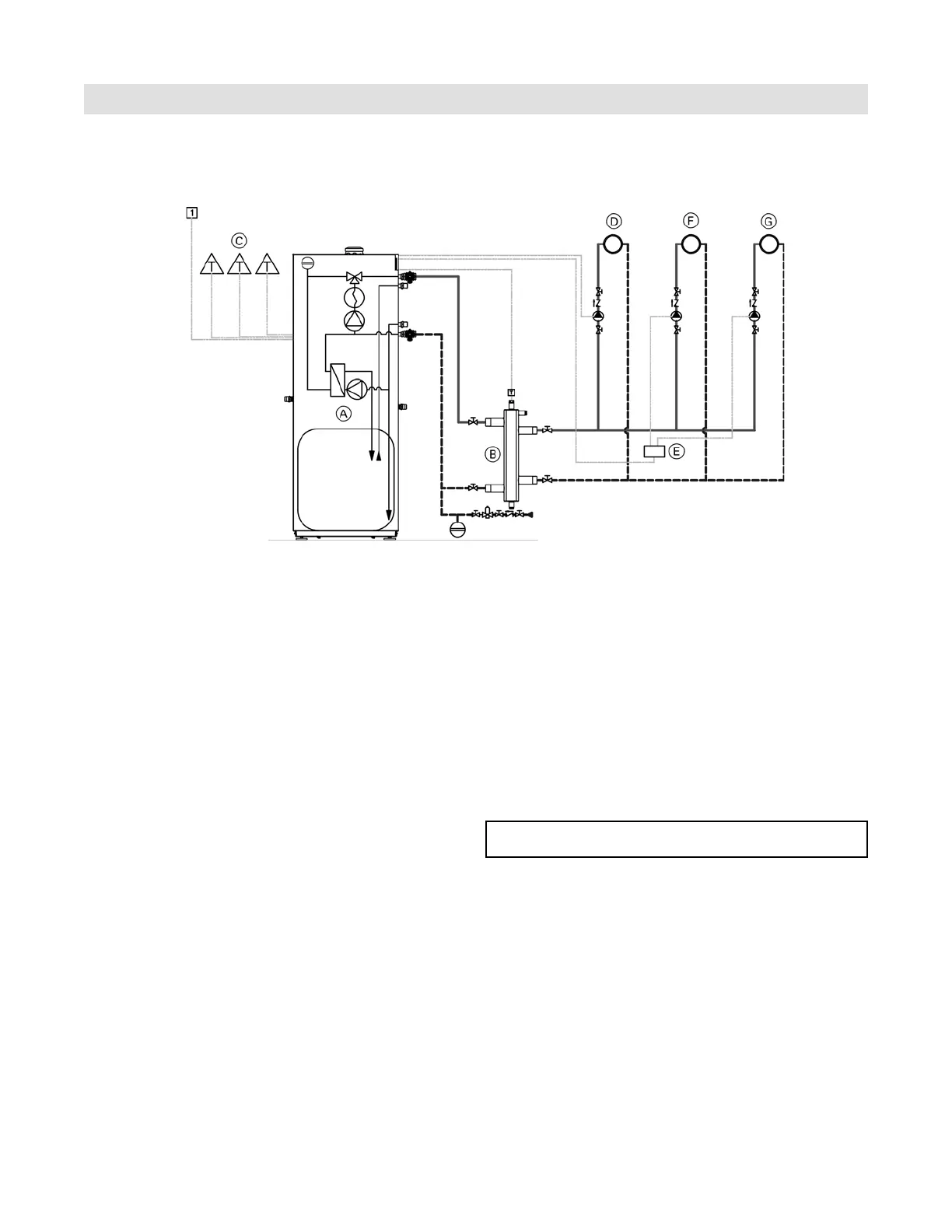
Vitodens 222-F, B2TB 19, 35, 68, 125 Installation
Installation Examples
System Layout 8
Vitodens 222-F, B2TB with...
- Integrated DHW production
- three zone circuits
Installation of different heating circuits...
DHW production
3 zone circuits
... with the following flow conditions:
The total flow rate of the two heating circuits is greater
than the maximum possible water flow rate of the
Vitodens 222-F B2TB boiler.
The use of a low-loss header is strongly recommended.
The low-loss header is available as accessory part.
A 3-way mixing valve, built-in to achieve the low-
temperature level of the under floor heating circuit, is
controlled by an accessory kit for a heating circuit with
mixing valve.
Legend
A Vitodens 222-F boilers
B Low-loss header
C Thermostat zone circuits 1, 2, 3
D Zone circuit 1 [output 157]
E AM1 extension module (accessory)
F Zone circuit 2 [output A1 - AM1 extension module]
G Zone circuit 3 [output A2 - AM1 extension module]
System separation is required of underfloor heating
systems employing non-oxygen diffusion barrier tubing.
All components on the secondary side of the heat
exchanger must be made of corrosion-resistant materials.
IMPORTANT

Table of Contents

Related product manuals