EasyManua.ls Logo

Viessmann CIB - Internal Extensions; Internal H1 Extension

Viessmann CIB
112 pages
Print Icon
To Next Page IconTo Next Page
To Next Page IconTo Next Page
To Previous Page IconTo Previous Page
To Previous Page IconTo Previous Page
Loading...
82
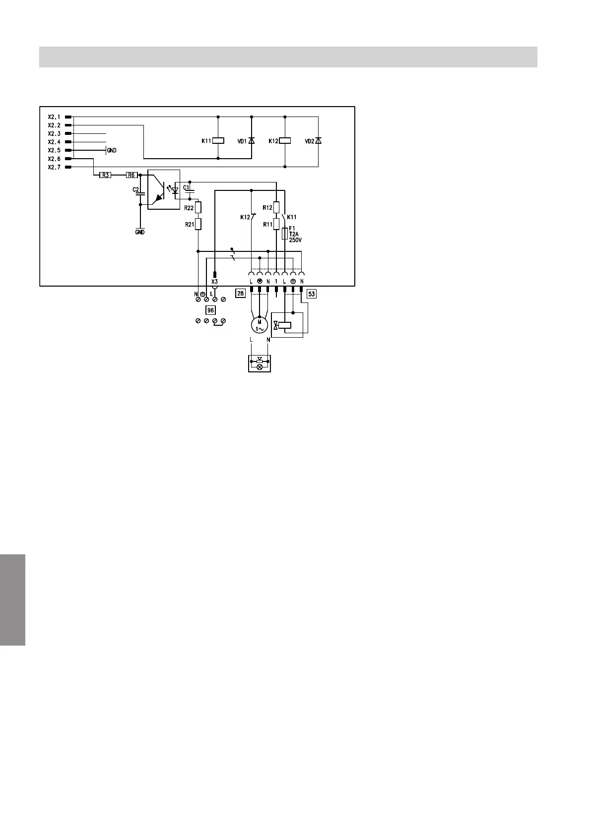
Internal H1 extension
Fig. 45
The internal extension is integrated into the control unit
enclosure. The following alternative functions can be
connected to relay output
sK
. The function is assigned
via coding address "53" in the "General" group:
Central fault message (code "53:0")
DHW circulation pump (code "53:1") (only for
weather-compensated operation)
Connect DHW circulation pumps with standalone
functions directly to the 230 V
supply.
An external safety valve can be linked to connection
gD
.
lH
Power supply for accessories and Vitotrol 100
Function description
Internal extensions
5839829
Functions

Table of Contents

Related product manuals