EasyManua.ls Logo

Viessmann PYROMAT ECO - Page 50

Viessmann PYROMAT ECO
64 pages
Print Icon
To Next Page IconTo Next Page
To Next Page IconTo Next Page
To Previous Page IconTo Previous Page
To Previous Page IconTo Previous Page
Loading...
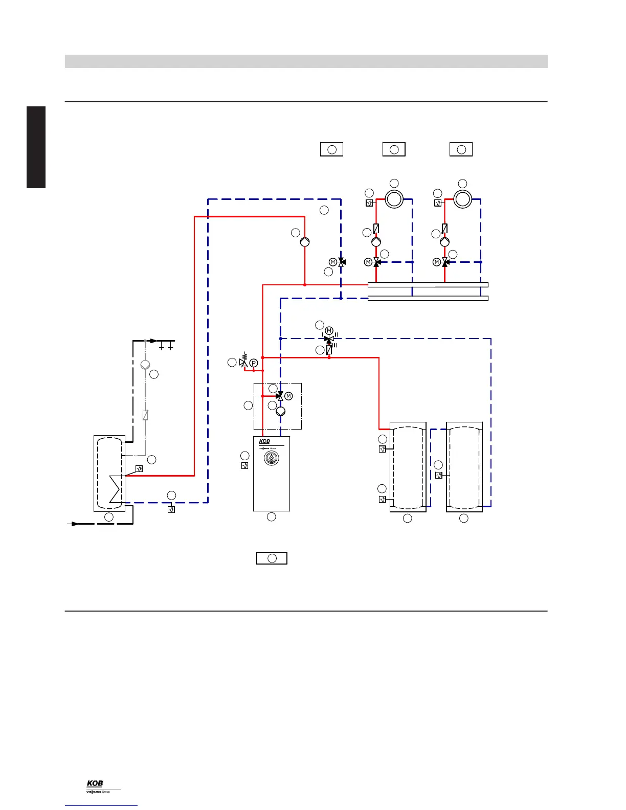
Hydraulic installation scheme ID: 4605384_1304_04
KW
WW
53
72
45
4
3
10
54
2
1
15
50
52
63
64
60
62
73
9
--71/17--
-2/29-
-71/52-
74
--2/181--
--2/182--
--71/20--
--51/20--
-51/52-
-51/2-
--61/20--
-61/52-
-61/2-
--1--
-KM BUS-
-230V-
--29--
--181--
--2/1--
7
--
-
5
51
--230V--
--52--
--20--
--2--
--KM BUS--
61
--230V--
--52--
--20--
--2--
--KM BUS--
71
--230V--
--52--
--20--
--17--
--KM BUS--
--
--9--
--182--
M2
M3
75
--71/2--
43
40
42
44
41
--2/9 T1--
--2/9 S3--
--2/9 T2--
--2--
70
46
--
II
I
III
Note: This scheme is a general example without shut-off valves or safety equipment. This does not replace the need for on-site engineering.
Application examples
(cont.)
50
PYROMAT ECO
8
5822 546 GB

Table of Contents

Related product manuals