EasyManua.ls Logo

Viessmann WB2B 45 - System Layout 1

Viessmann WB2B 45
64 pages
Print Icon
To Next Page IconTo Next Page
To Next Page IconTo Next Page
To Previous Page IconTo Previous Page
To Previous Page IconTo Previous Page
Loading...
Boiler Connections
29
Installation Examples (continued)
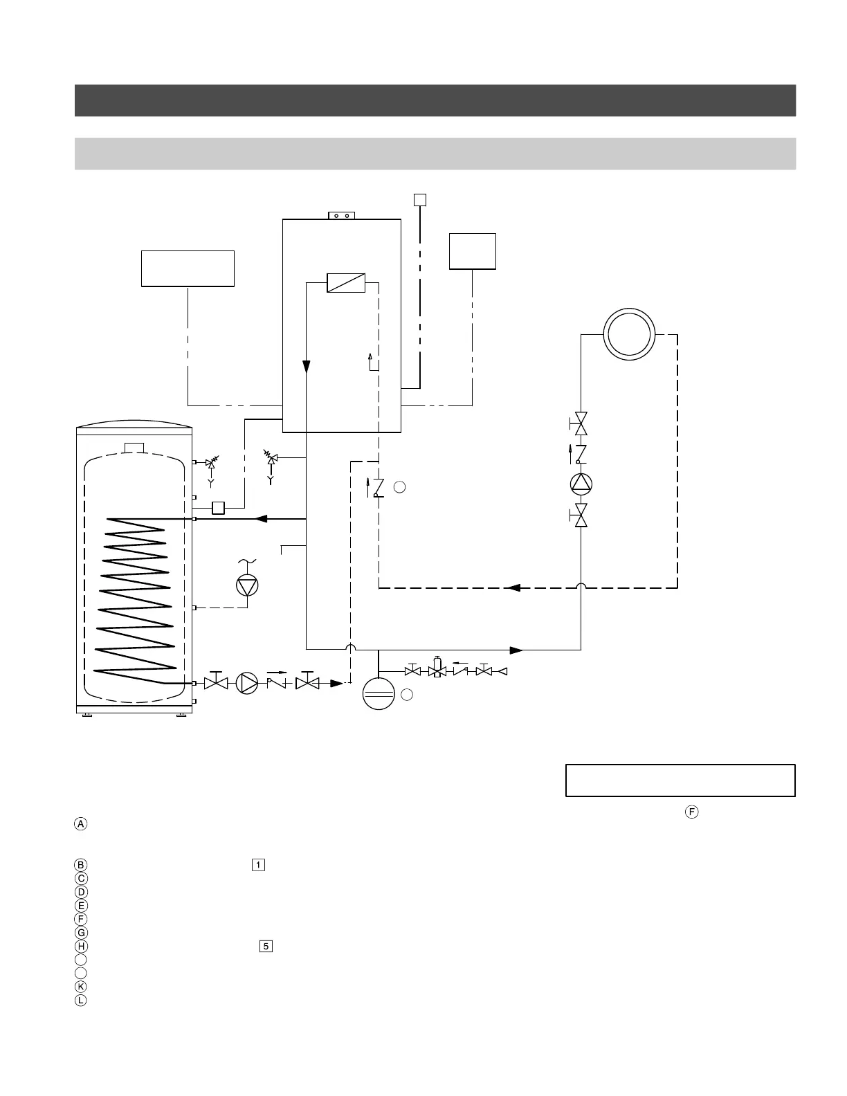
System layout 1
Vitodens 200-W, WB2B with a direct-connected heating circuit
Legend
AV Air vent (models WB2B 45, 60)
PRV Pressure relief valve
TPV Temperature and pressure relief valve
Vitodens 200-W WB2B boiler with
Vitotronic 200, HO1 outdoor reset
control
Outdoor temperature sensor
Remote control Vitotrol 300 (optional)
Heating circuit
Heating circuit pump *
DHW circulating pump sA*
DHW storage tank
DHW tank temperature sensor
I
Expansion tank
J
Flow check valve
DHW recirculation pump sK*
Power/Pump module
M Optional purge tee (field supplied)
* See pages 53 and 57.
Installation of ...
H radiator heating circuit (high-temp. circuit)
H DHW production
... with the following flow conditions:
The flow rate of the heating circuit is less
than the maximum possible water flow rate
of the Vitodens 200-W WB2B boiler (see
page 28 for maximum water flow rate of
boiler).
The use of a low-loss header is strongly
recommended if the maximum water flow
rate in the application concerned exceeds
the values shown in the applicable table on
page 28, or if the system flow rates are
unknown.
The low-loss header is available as
accessory part.
See following pages for installation
examples with a low-loss header.
DHW circulating pump
must pump into
the Vitodens 200-W boiler (as illustrated).
5418 909 v1.6
5
1
PRV
TPV
A
B
C
K
AV
M
D
E
F
G
H
L
J
I
Fig. 23
IMPORTANT

Related product manuals