EasyManua.ls Logo

Viessmann WB2B 45 - System Layout 4

Viessmann WB2B 45
64 pages
Print Icon
To Next Page IconTo Next Page
To Next Page IconTo Next Page
To Previous Page IconTo Previous Page
To Previous Page IconTo Previous Page
Loading...
Boiler Connections
32
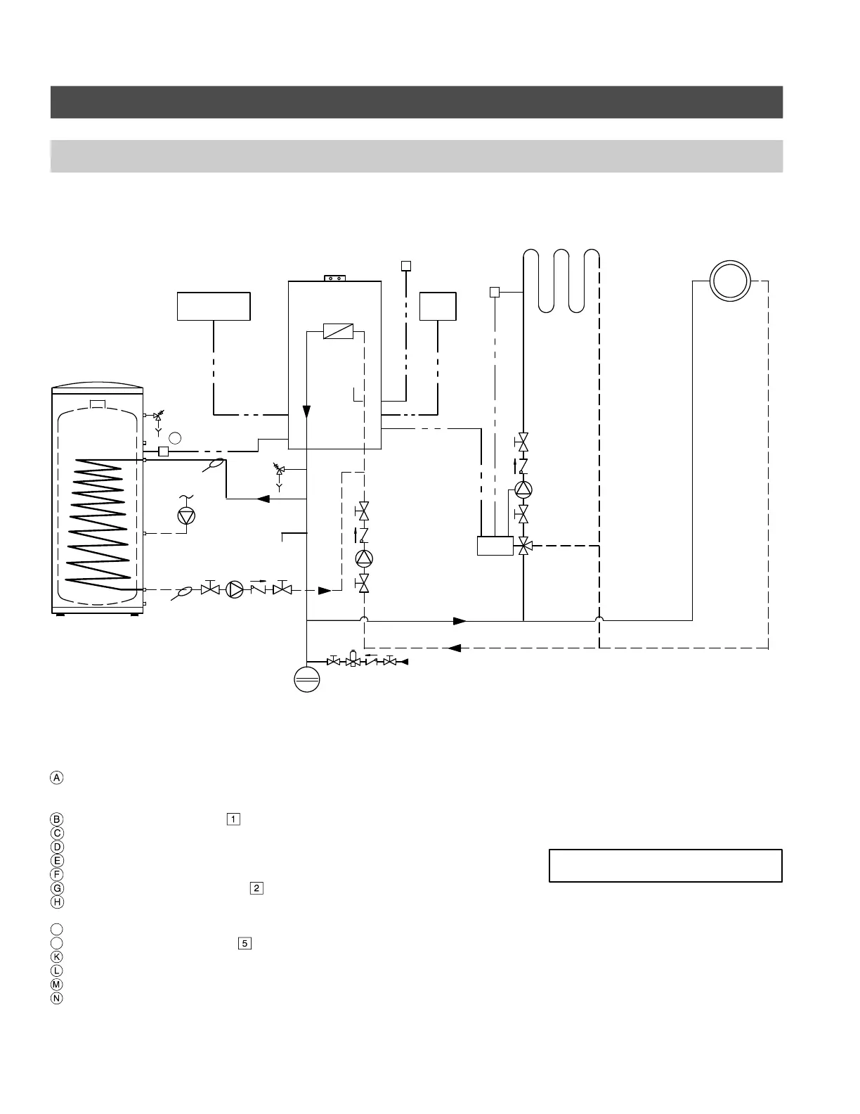
Installation Examples (continued)
System layout 4
Vitodens 200-W, WB2B with...
DHW storage tank
one direct-connected heating circuit
one heating circuit with a mixing valve
Legend
AV Air vent (WB2B models 45, 60)
PRV Pressure relief valve
TPV Temperature and pressure relief valve
Vitodens 200-W WB2B boiler with
Vitotronic 200, HO1 outdoor reset
control
Outdoor temperature sensor
Remote control Vitotrol 300 (optional)
Under floor heating circuit
Radiator heating circuit
Heating circuit pump
Mixing valve temperature sensor
Accessory kit for heating circuit with
mixing valve
I
Domestic hot water storage tank
J
DHW tank temperature sensor
Expansion tank
Optional purge tee (field supplied)
DHW supply and return piping
DHW recirculation pump sK*
O Power/Pump module
P Boiler pump *
Q DHW circulating pump sA*
R Flow check valve
* See pages 53 and 57.
Installation of different heating circuits...
H radiator heating circuit (high-temp. circuit)
H under floor heating circuit with 3-way
mixing valve (low-temp. circuit)
H DHW production
... with the following flow conditions:
1. The water flow rate (output) of the
radiator heating circuit is at least 30%
greater than that of the under floor heating
circuit.
2. The total flow rate of the two heating
circuits is less than the maximum possible
water flow rate of the Vitodens 200-W
WB2B boiler (see page 28 for max. water
flow rate).
The use of a low-loss header is strongly
recommended if the maximum water flow
rate in the application concerned exceeds
the values shown on page 28, or if the
system flow rates are unknown.
The low-loss header is available as
accessory part.
See following pages for additional
installation examples with a low-loss
header.
The 3-way mixing valve, built-in to achieve
the low-temperature level of the under floor
heating circuit, is controlled by an accessory
kit for a heating circuit with mixing valve.
DHW circulating pump Q must pump into
the Vitodens 200-W WB2B boiler (as
illustrated).
5418 909 v1.6
PRV
TPV
A
B
C
K
M
D
E
F
H
L
O
AV
G
I
N
1
V
2
5
R
Q
J
P
M
Fig. 26
IMPORTANT

Related product manuals