EasyManua.ls Logo

Viessmann WB2B 45 - Vitodens 200-W, WB2 B (Alternate DHW Connection)

Viessmann WB2B 45
64 pages
Print Icon
To Next Page IconTo Next Page
To Next Page IconTo Next Page
To Previous Page IconTo Previous Page
To Previous Page IconTo Previous Page
Loading...
Boiler Connections
38
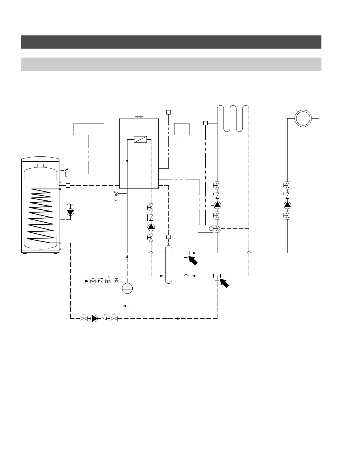
Installation Examples (continued)
Vitodens 200-W, WB2B (alternate DHW connection)
The following piping diagram reflects an alternative connection for the DHW tank only and applies to system layouts 2, 5,
6 and 8. The boiler control pump logic function must be programmed in the Start-up/Service Instructions. .
M
5
1
2
5
PRV
TPV
Alternative
location
of the expansion tank
Fig. 32
*
*
*Note:
When using a low loss header in the
system, the DHW connections can
be made downstream of the low loss
header. See Vitodens 200-W WB2B
Start-up/Service Instructions for
applicable system coding information
(see coding level 2):
00: ...
A2: ...
5b: ...
5418 909 v1.6

Related product manuals