EasyManua.ls Logo

Viessmann WB2B 45 - System Layout 7

Viessmann WB2B 45
64 pages
Print Icon
To Next Page IconTo Next Page
To Next Page IconTo Next Page
To Previous Page IconTo Previous Page
To Previous Page IconTo Previous Page
Loading...
Boiler Connections
35
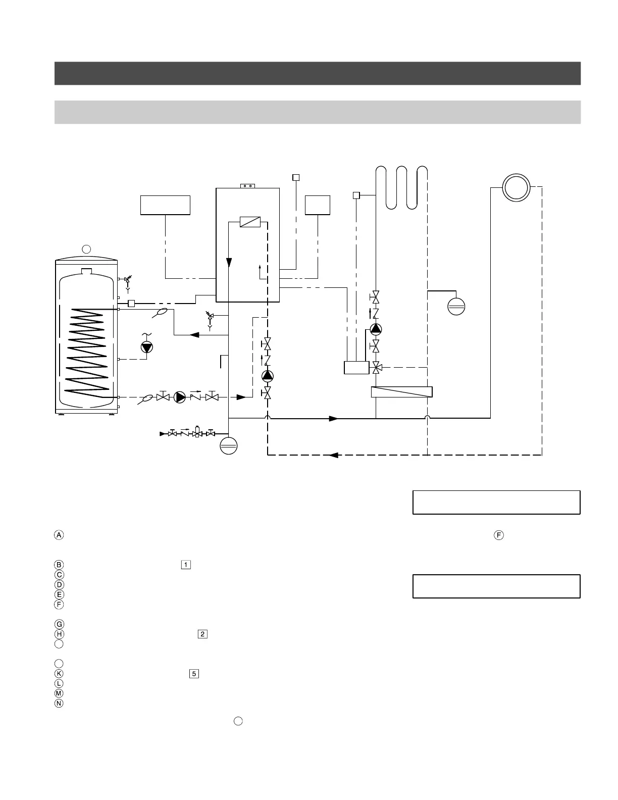
Installation Examples (continued)
System layout 7
Vitodens 200-W, WB2B with...
direct-connected heating circuit
one heating circuit with system separation
Legend
AV Air vent (WB2B models 45, 60)
PRV Pressure relief valve
TPV Temperature and pressure relief valve
Vitodens 200-W WB2B boiler with
Vitotronic 200, HO1 outdoor reset
control
Outdoor temperature sensor
Remote control Vitotrol 300 (optional)
Under floor heating circuit
Heating circuit pump
Plate heat exchanger for system
separation
Heating circuit pump
Mixing valve temperature sensor
I
Accessory kit for heating circuit with
mixing valve
J
DHW storage tank
DHW tank temperature sensor
Expansion tanks
Optional purge tee (field supplied)
DHW supply and return piping
O DHW recirculation pump sK*
P Boiler pump *
Q DHW circulating pump sA*
R Power/pump module
S Flow check valve
* See pages 53 and 57.
Installation of different heating circuits...
H radiator heating circuit (high-temp. circuit)
H under floor heating circuit with 3-way
mixing valve (low-temp. circuit)
H DHW production
... with the following flow conditions:
The total flow rate of the two heating
circuits is less than the maximum possible
water flow rate of the Vitodens 200-W
WB2B boiler (see page 28 for maximum
water flow rate of boiler).
The use of a low-loss header is strongly
recommended if the maximum water flow
rate in the application concerned exceeds
the max. boiler flow rate, or if the system
flow rates are unknown. The low-loss
header is available as accessory part.
The 3-way mixing valve, built-in to achieve
the low-temperature level of the under floor
heating circuit, is controlled by an accessory
kit for a heating circuit with mixing valve
I
. The boiler pump supplies the
radiator heating circuit and the plate heat
exchanger for system separation.
The pressure drop (secondary circuit) of the
plate heat exchanger
must be less/equal
to the pressure drop of the 3-way mixing
valve. This must be taken into account
when sizing the plate heat exchanger.
DHW circulating pump Q must pump into
the Vitodens 200-W WB2B boiler (as
illustrated).
5418 909 v1.6
TPV
PRV
A
B
C
D
G
I
K
L
M
N
S
R
E
F
P
Q
5
1
V
2
O
AV
N
Fig. 29
J
IMPORTANT
IMPORTANT

Related product manuals