EasyManua.ls Logo

Viessmann WB2B 45 - Page 61

Viessmann WB2B 45
64 pages
Print Icon
To Next Page IconTo Next Page
To Next Page IconTo Next Page
To Previous Page IconTo Previous Page
To Previous Page IconTo Previous Page
Loading...
Additional Information
61
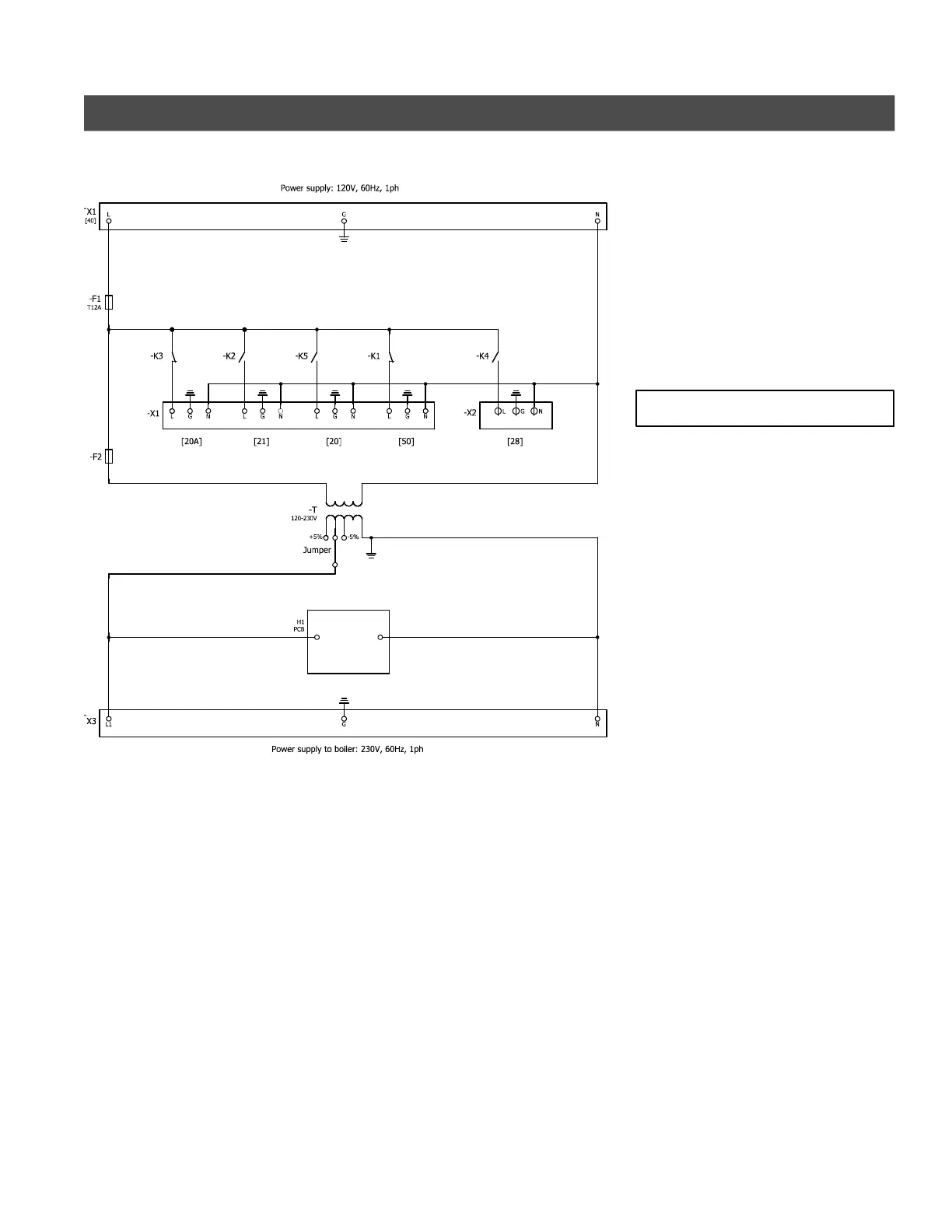
Ladder Diagram
Legend
-X1 [40] power supply 120 VAC
-X1 [20A] pump, HTG system w/o
mixing valve, 120 VAC
-X1 [21] pump DHW tank 120 VAC
-X1 [20] pump boiler 120 VAC
-X1 [50] fault alarm 120 VAC
-X2 [28] pump, DHW recirculation,
120 VAC
Total max. output current 8A
-X3 boiler power supply 230
VAC
-K1, -K2,
-K3, -K4,
-K5 operating contacts
-F1, -F2 fuses (slow blow)
-T transformer
H1 communication board
Fig. 55
T3.5A
300VA
5418 909 v1.6
IMPORTANT

Related product manuals