EasyManua.ls Logo

Warmup 4iE - Page 6

Warmup 4iE
24 pages
Print Icon
To Next Page IconTo Next Page
To Next Page IconTo Next Page
To Previous Page IconTo Previous Page
To Previous Page IconTo Previous Page
Loading...
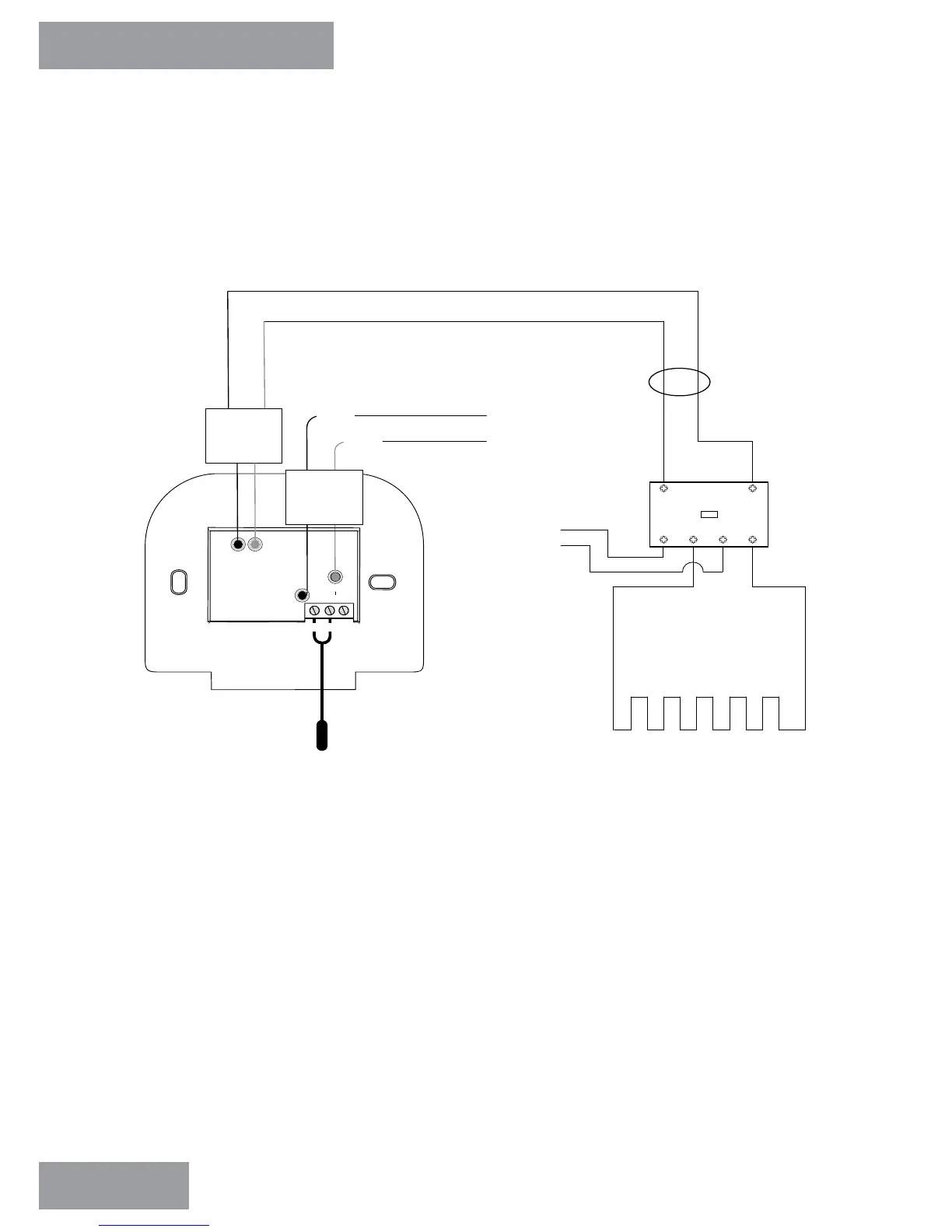
Wiring Connections
6
4iE
Step 2 - Wiring Connections
240V SUPPLY WITHOUT GFCI
PROTECTION
L2-LINE
Hot (240V)
Hot (240V)
L1-LINE
240V GFCI
PROTECTED
SUPPLY
240V
COIL SUPPLY
N.B. All heating loads connect to Relay-25
only, controlled by 4iE
L1-LOAD-L2
L1-LINE
L2
1
2 3
EXT
FLOOR SENSOR
(NO POLARITY)
L1-LOAD-L2
HEATING
(MAX 3600W/
15 Amps)
L1-LINE-L2
POWER
SUPPLY
Hot (240V)
Hot (240V)
0 1
8642
Heater/s
Max 25A
Heating Load connected to Relay 25 - Max. 25 Amps

Other manuals for Warmup 4iE

Related product manuals