EasyManua.ls Logo

Warmup 4iE - Page 7

Warmup 4iE
24 pages
Print Icon
To Next Page IconTo Next Page
To Next Page IconTo Next Page
To Previous Page IconTo Previous Page
To Previous Page IconTo Previous Page
Loading...
Wiring Connections
7
4iE
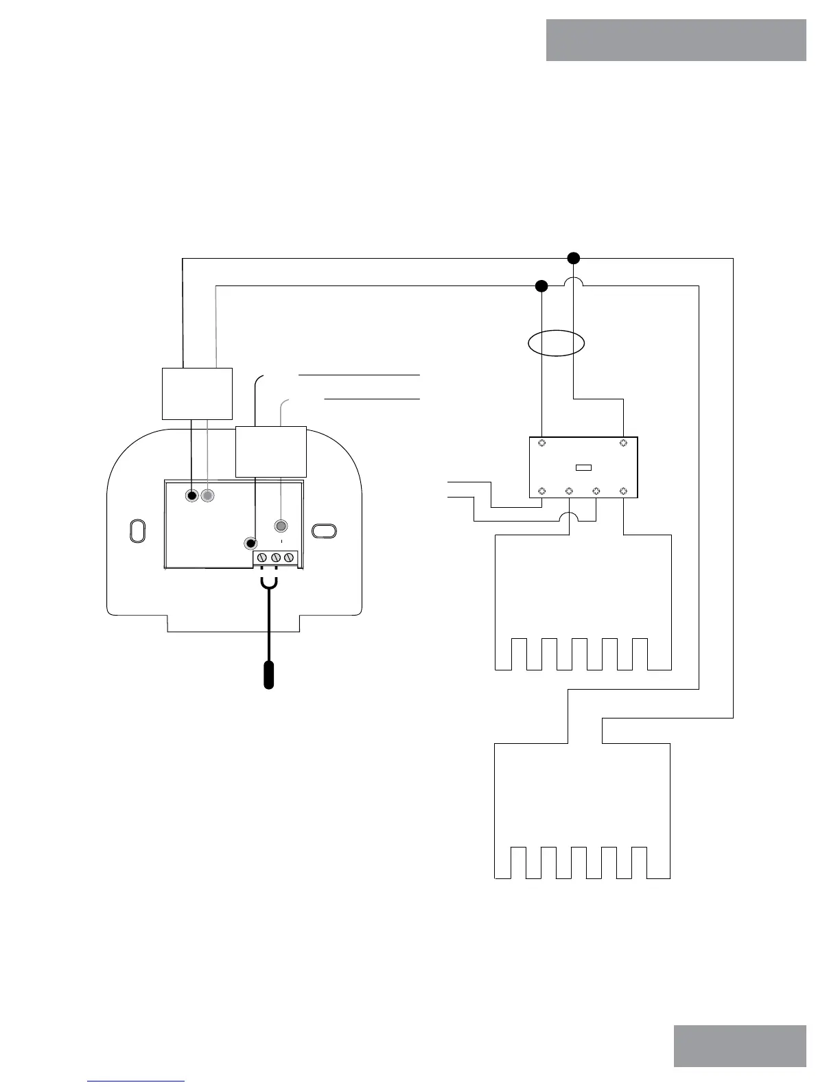
Step 2 - Wiring Connections
240V SUPPLY WITHOUT GFCI
PROTECTION
L2-LINE
Hot (240V)
Hot (240V)
L1-LINE
240V GFCI
PROTECTED SUPPLY
Hot (240V)
Hot (240V)
L1-LOAD-L2
L1-LINE
L2
1
2 3
EXT
FLOOR SENSOR
(NO POLARITY)
L1-LOAD-L2
HEATING
(MAX 3600W/
15 Amps)
L1-LINE-L2
POWER
SUPPLY
0 1
8642
Heater/s
Max 25A
Heater/s
Max 15A
240V
COIL SUPPLY
N.B. Heating loads connect to Relay-25
and 4iE:
Relay-25 Max load 25A
4iE Max load 15A
Total Max load 40A
Heating Load connected to 4iE and Relay 25 - Max. 40 Amps

Other manuals for Warmup 4iE

Related product manuals