EasyManua.ls Logo

WaterLogic WL2FLT - Page 22

WaterLogic WL2FLT
65 pages
Print Icon
To Next Page IconTo Next Page
To Next Page IconTo Next Page
To Previous Page IconTo Previous Page
To Previous Page IconTo Previous Page
Loading...
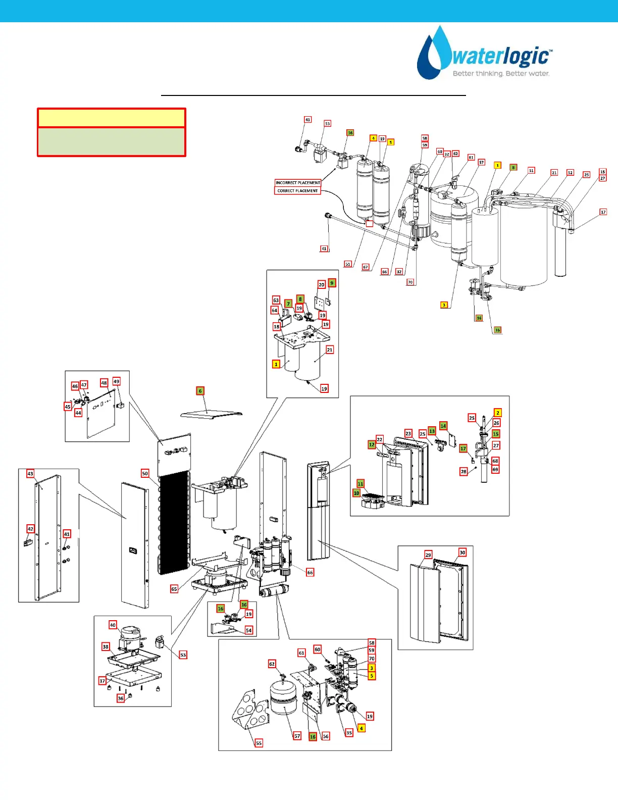
WL2FLT Manual Page 22 Revision 10-26-2021
WL2FLT TOWER LAYOUT DRAWING AND PARTS LIST
Yellow = Consumables
Green = Recommended spare
parts
Wetted Parts

Other manuals for WaterLogic WL2FLT

Related product manuals