EasyManua.ls Logo

WEICHAI WP6GTA - External Components (Flywheel Housing, Oil Sump)

WEICHAI WP6GTA
90 pages
Print Icon
To Next Page IconTo Next Page
To Next Page IconTo Next Page
To Previous Page IconTo Previous Page
To Previous Page IconTo Previous Page
Loading...
Weichai America Corp.
16
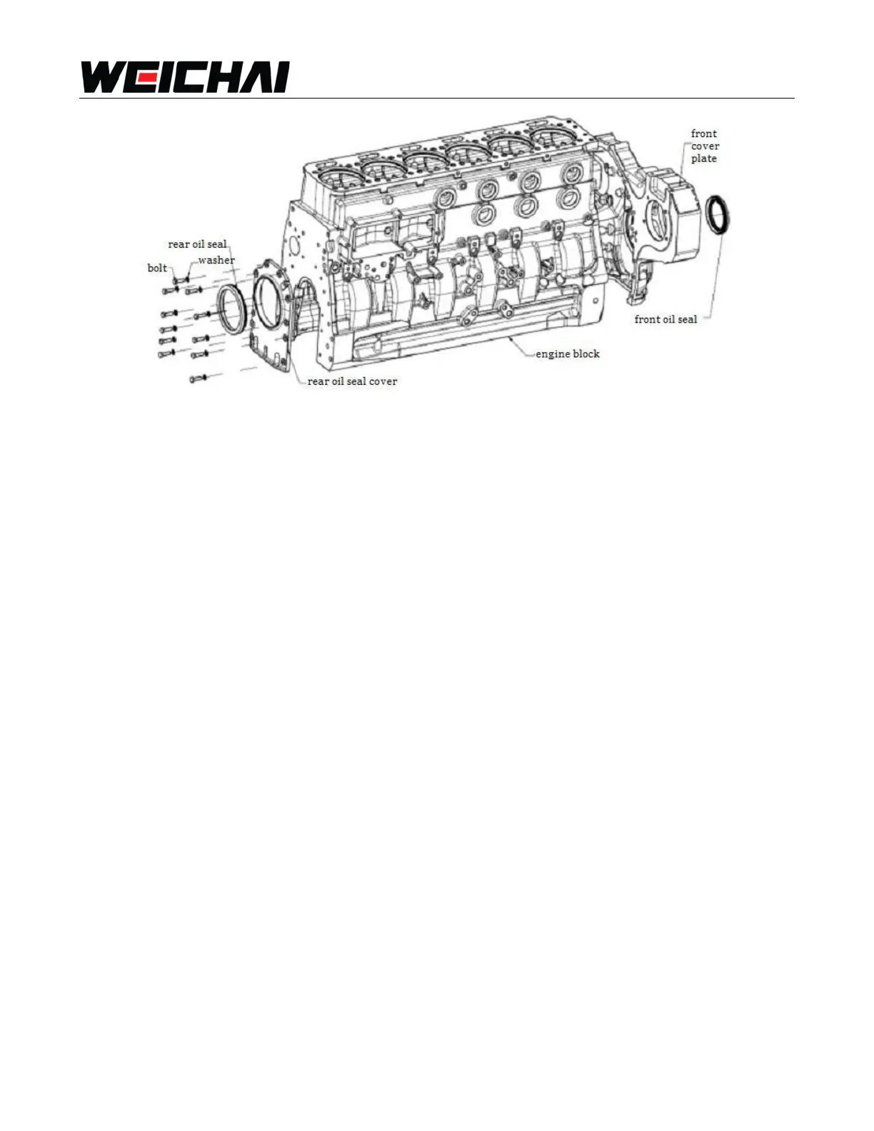
Fig. 2-11 exploded view of front oil seal and rear oil seal
2.6.2 Steps to disassemble front and rear oil seal
1. Remove gear housing plate
2. Remove engine front oil seal
3. Remove engine rear oil seal cover (Key point 1)
4. Remove engine rear oil seal (key point 2)
2.6.3 Steps to assemble front and rear oil seal
Assembling steps are contrary to disassembling ones.
2.6.4 Inspection and maintenance of engine front and rear oil seal.
Key point 1:
Inspection
Check whether the junction surface between rear oil seal cover and engine body is cleaning or
knocking wound.
Assembling
(1) Clean the junction surface and install 2 pins into engine body.
(2) Apply sealant on the junction surface of rear oil seal cover.

Table of Contents

Related product manuals