EasyManua.ls Logo

WEIHONG LS6000M - 5.3 Wiring Diagram of the Drive

Default Icon
121 pages
Print Icon
To Next Page IconTo Next Page
To Next Page IconTo Next Page
To Previous Page IconTo Previous Page
To Previous Page IconTo Previous Page
Loading...
上海维宏电子科技股份有限公司
SHANGHAI WEIHONG ELECTRONIC TECHNOLOGY CO., LTD.
69 / 116
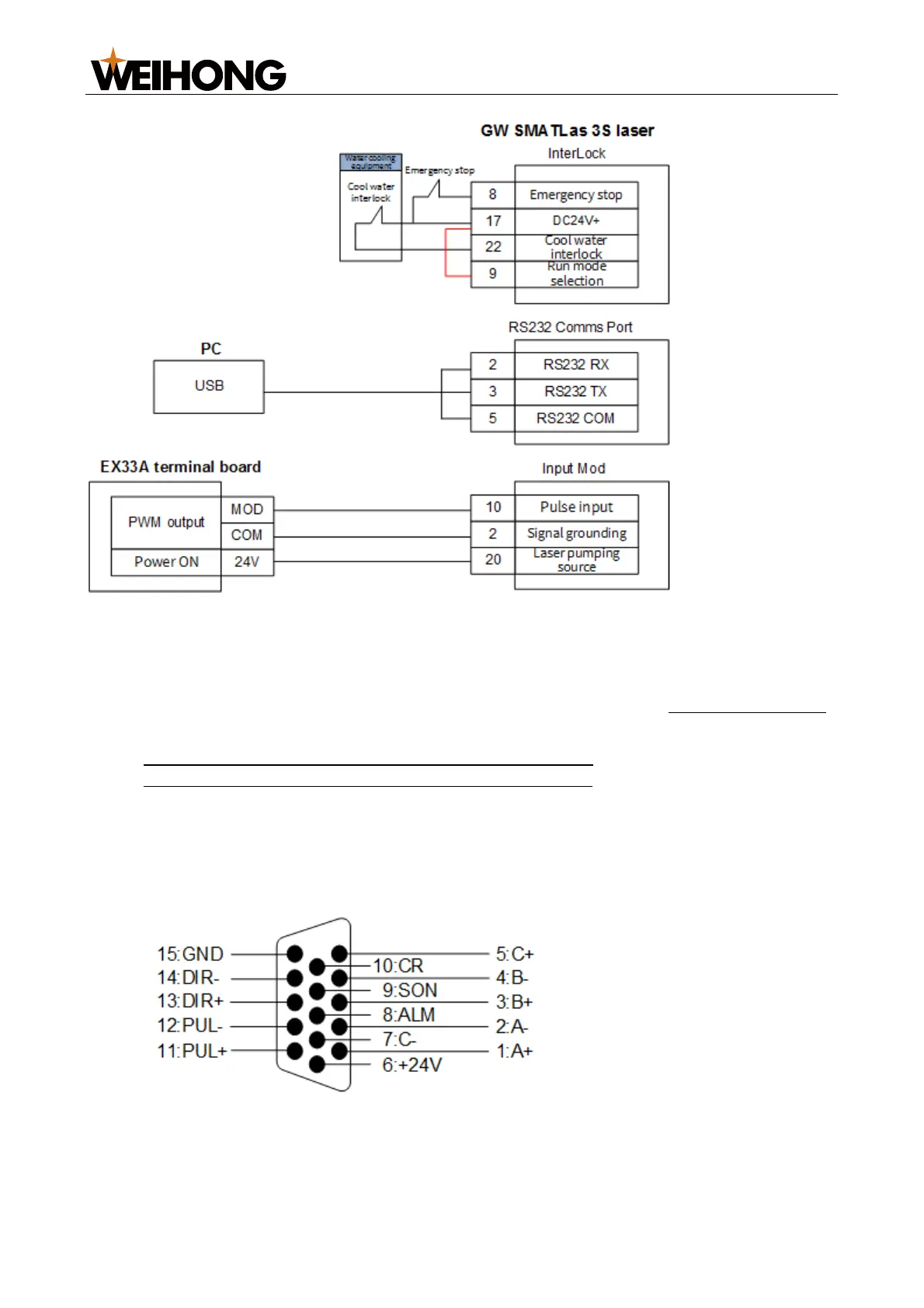
5.3 Wiring Diagram of the Drive
This section introduces how to connect WEIHONG DB15 drive port to different brands of
servo motors.
Drive wiring methods may vary based on the control mode. Check the drive port definition
before referring to the following wiring diagrams:
Wiring Diagram of the Drive (in Position Control Mode)
Wiring Diagram of the Drive (in Velocity Control Mode) (Exclusive for laser cutting
industry)
5.3.1 Drive Port Definition
The WEIHONG servo drive plug has three-row DB15 holes.
The definitions are shown as follows:
Position control mode
Velocity control mode

Table of Contents

Related product manuals