EasyManua.ls Logo

Western CP600 - Panel Wiring 90239-41_R4

Default Icon
134 pages
Print Icon
To Next Page IconTo Next Page
To Next Page IconTo Next Page
To Previous Page IconTo Previous Page
To Previous Page IconTo Previous Page
Loading...
CP600 Pivot Operation Manual
POM-EN-December 2018
116
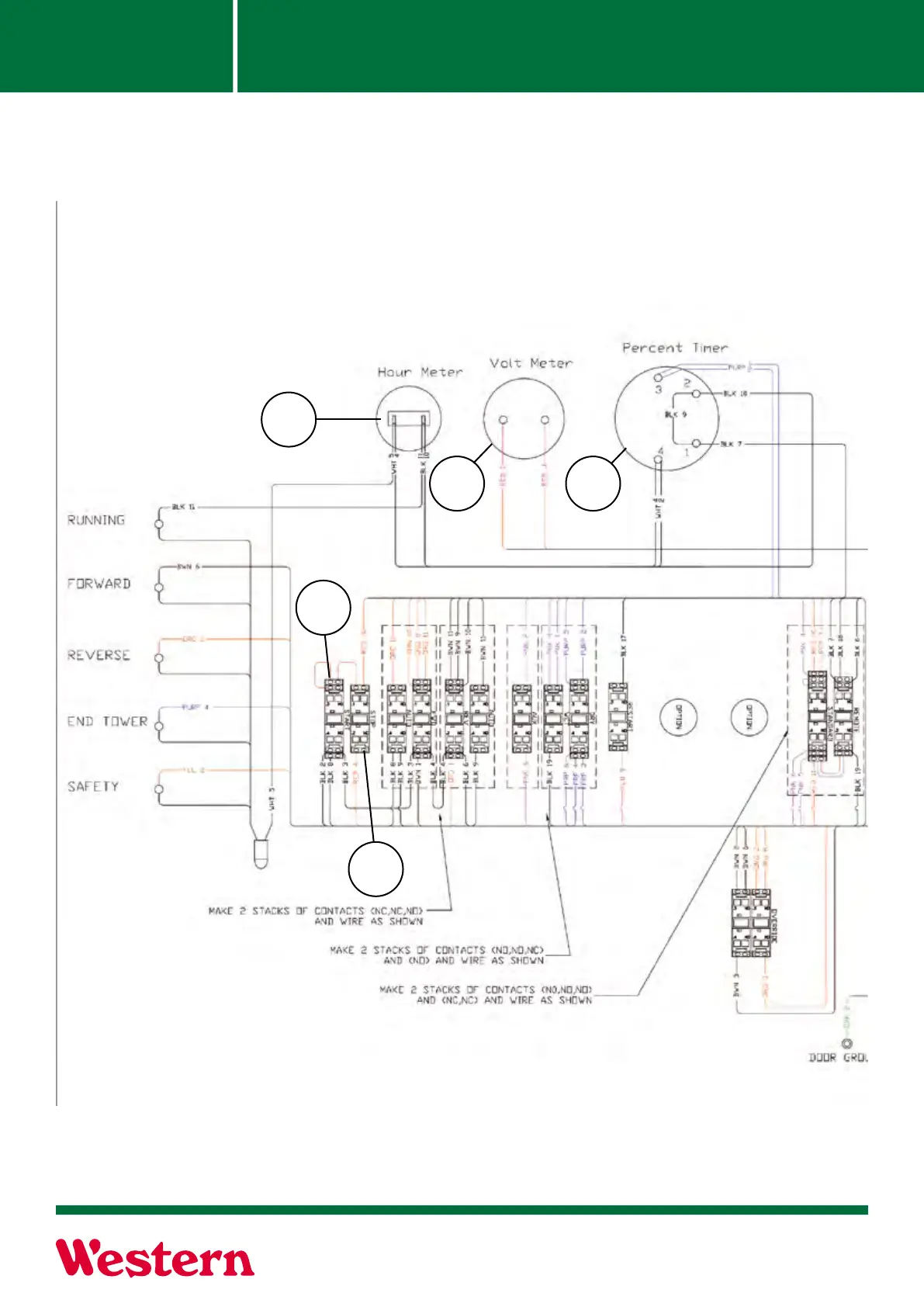
Section 5-4
Electrical
Panel Wiring 90239-41_R4
1
8
9
2 3

Table of Contents