EasyManua.ls Logo

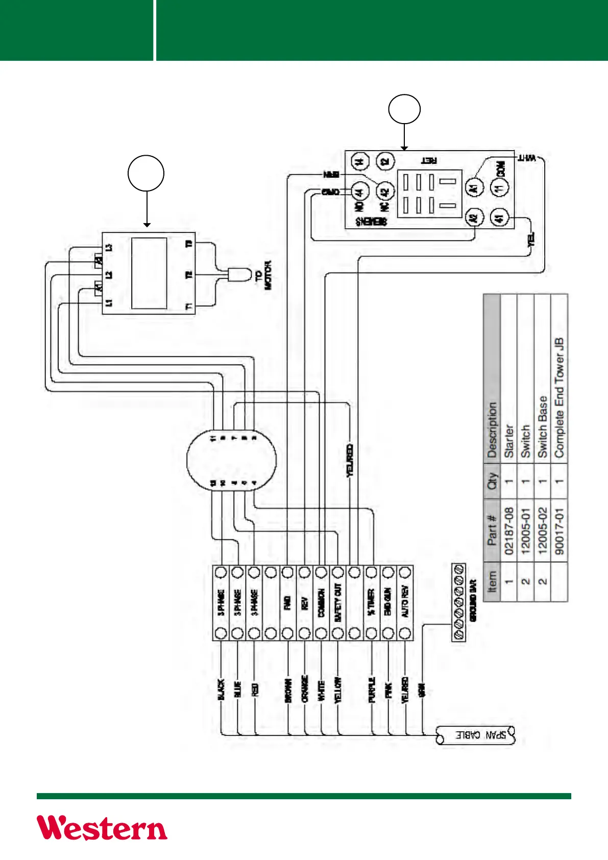
Western CP600 - End Tower Junction Box w;out Auto Reverse and Booster 90017-01

Default Icon
134 pages
Print Icon
To Next Page IconTo Next Page
To Next Page IconTo Next Page
To Previous Page IconTo Previous Page
To Previous Page IconTo Previous Page
Loading...
CP600 Pivot Operation Manual
POM-EN-December 2018
124
1
2
Section 5-12
Electrical
End Tower Junction Box w/out Auto Reverse and Booster 90017-01

Table of Contents