EasyManua.ls Logo

WhisperKool Phantom 3500 - Phantom 8000 24 V Thermostat Wiring Diagram

WhisperKool Phantom 3500
39 pages
Print Icon
To Next Page IconTo Next Page
To Next Page IconTo Next Page
To Previous Page IconTo Previous Page
To Previous Page IconTo Previous Page
Loading...
PH 080718
Page 26 | 1-800-343-9463
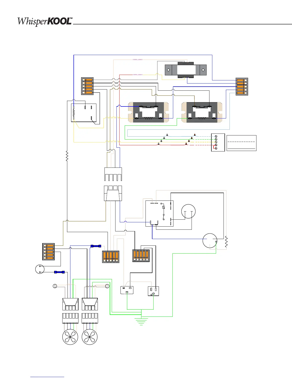
PHANTOM 8000 WITH 24V THERMOSTAT CONVERSION KIT
WIRING DIAGRAM
1 234
5
COMPRESSOR
L
N
LM
W
R
POWER
INLET
S
C
5
2
1
4
14
15
15
51 51
12345
COMPRESSOR
CAPACITOR
FC
12345
CONDENSER
EVAPORATOR
BLOWER
SC18G
BLOWER
4GDSU35
4GDSU35
COMPRESSOR
RELAY
POWER
OUTLET
BROWN
BLACK
BLACK
GREEN
GREEN
BROWN
BLACK
BLUE
GREEN
WHITE
BROWN
BLACK
BLUE
GREEN
WHITE
BROWN
BLACK
BLUE
GREEN
WHITE
GREEN
WHITE
BLACK
BLACK
BROWN
WHITE
BLACK
BLUE
WHITE
BLUE
BLACK
WHITE
BROWN
WHITE
BLOWER
BLOWER
BLACK
CAPACITOR
CAPACITOR
FAN CYCLE SWITCH
MOTOR
PROTECTOR
CRANKCASE
HEATER
31
42
5
C
NC
NO
14
LINE
NEUTRAL
FAN
COMPRESSOR
24v
Transformer
312 45
Relay
1
0
4
6
1234
5
Fan
Relay
1
0
4
6
WHITE
BLACK
BLACK
BLACK
BLUE
BLUE
BLUE
WHITE
BLUE
BLACK
BLUE
GREEN
YELLOW
RED
BROWN
C
G
Y
R
THERMOSTAT
RC
Field Installed
LEGEND
Factory Installed
YELLOW
24V COMMON
24V HOT
YELLOW
BLUE
BLACK
Compressor

Related product manuals