EasyManua.ls Logo

Wilo VT - Page 14

Wilo VT
56 pages
Print Icon
To Next Page IconTo Next Page
To Next Page IconTo Next Page
To Previous Page IconTo Previous Page
To Previous Page IconTo Previous Page
Loading...
Installation and operating instructions WILO Mather and Platt VT pumps 14
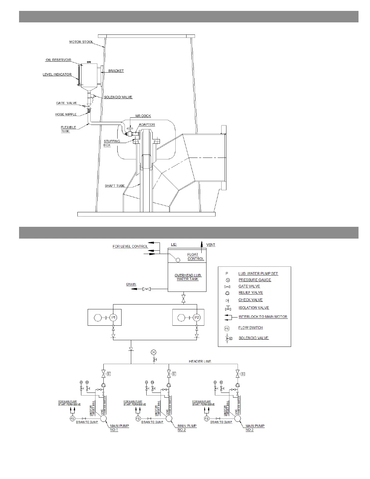
Fig 21: Arrangement for Oil lubricated pumps (Page No. 29, Point No. 8.8)
Fig 22: Schematic for forced water lubrication system (Page No. 29, Point No. 8.8)

Related product manuals