EasyManua.ls Logo

Yaesu FT-60R/E - Block Diagram

Yaesu FT-60R/E
56 pages
Print Icon
To Next Page IconTo Next Page
To Next Page IconTo Next Page
To Previous Page IconTo Previous Page
To Previous Page IconTo Previous Page
Loading...
5
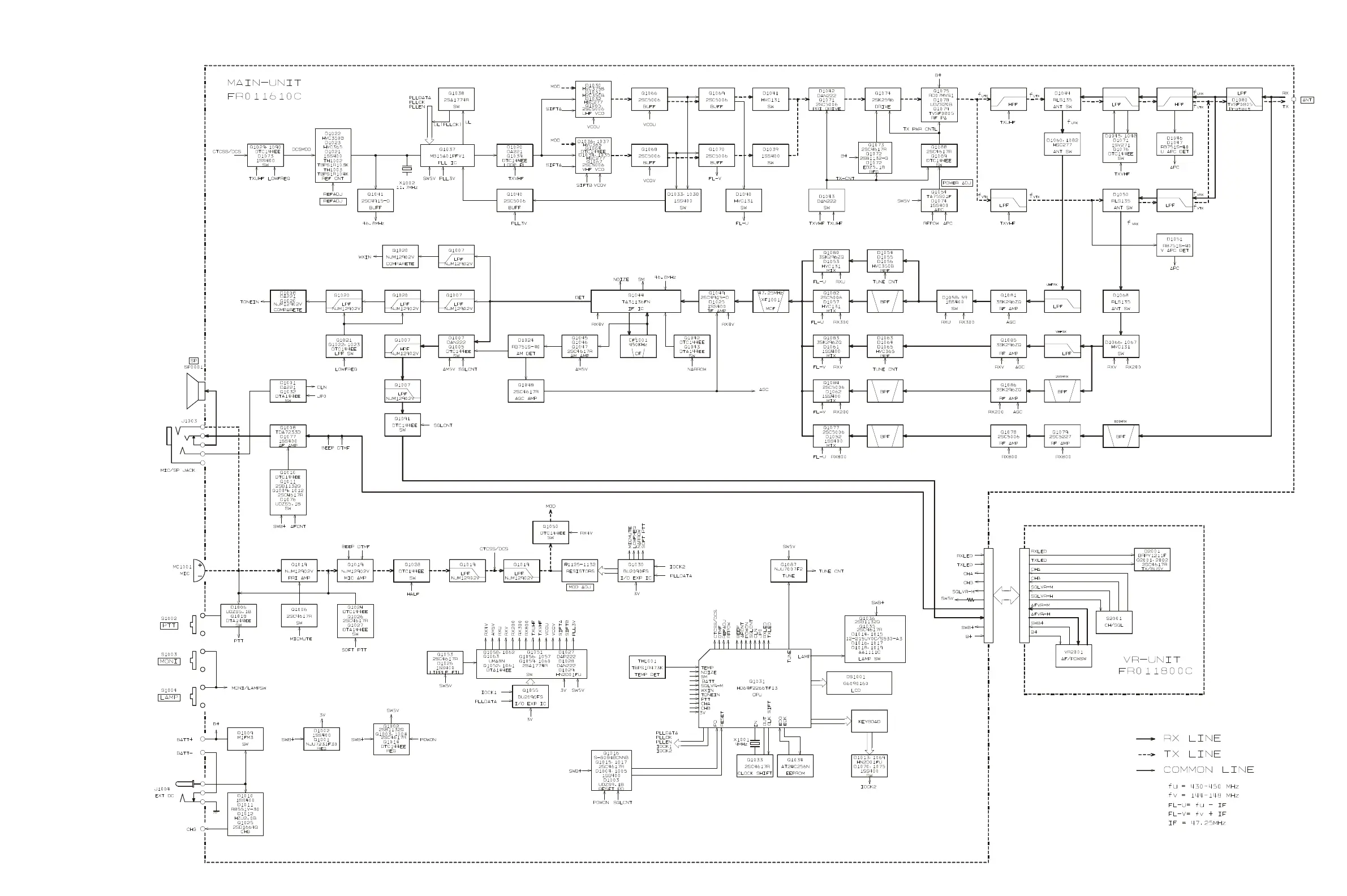
Block Diagram
FT-60R/E Technical Supplement

Related product manuals