EasyManua.ls Logo

Yaesu FT-60R/E - VR Unit (Lot. 1 ~ 129); Circuit Diagram

Yaesu FT-60R/E
56 pages
Print Icon
To Next Page IconTo Next Page
To Next Page IconTo Next Page
To Previous Page IconTo Previous Page
To Previous Page IconTo Previous Page
Loading...
51
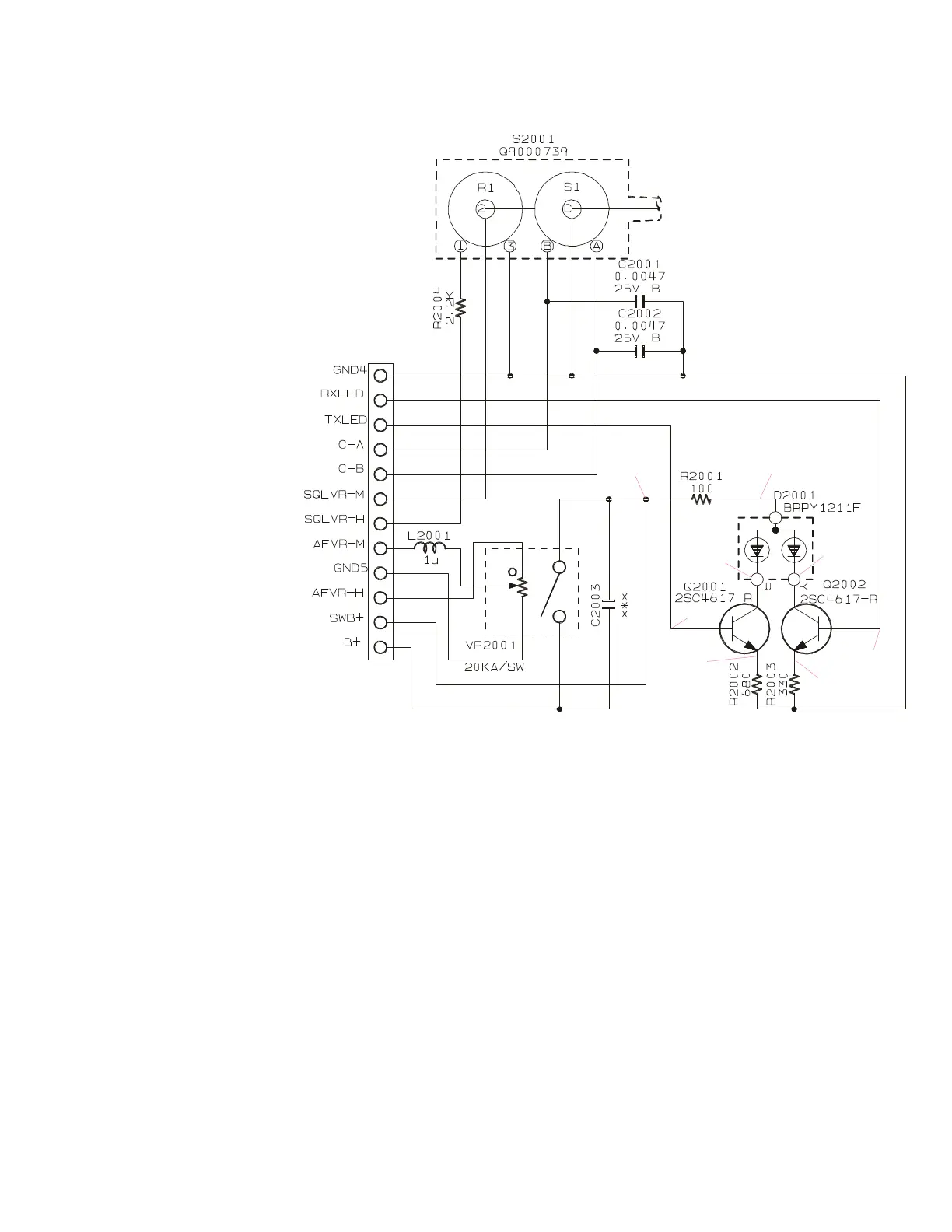
VR Unit (Lot. 1 ~ 129)
FT-60R/E Technical Supplement
Circuit Diagram
13.5 V
13.2 V
11.5 V
11.4 V
2.96 V
1.42 V
2.33 V
0.81 V