EasyManua.ls Logo

Yamaha 684CS - Page 141

Yamaha 684CS
497 pages
Print Icon
To Next Page IconTo Next Page
To Next Page IconTo Next Page
To Previous Page IconTo Previous Page
To Previous Page IconTo Previous Page
Loading...
3-30
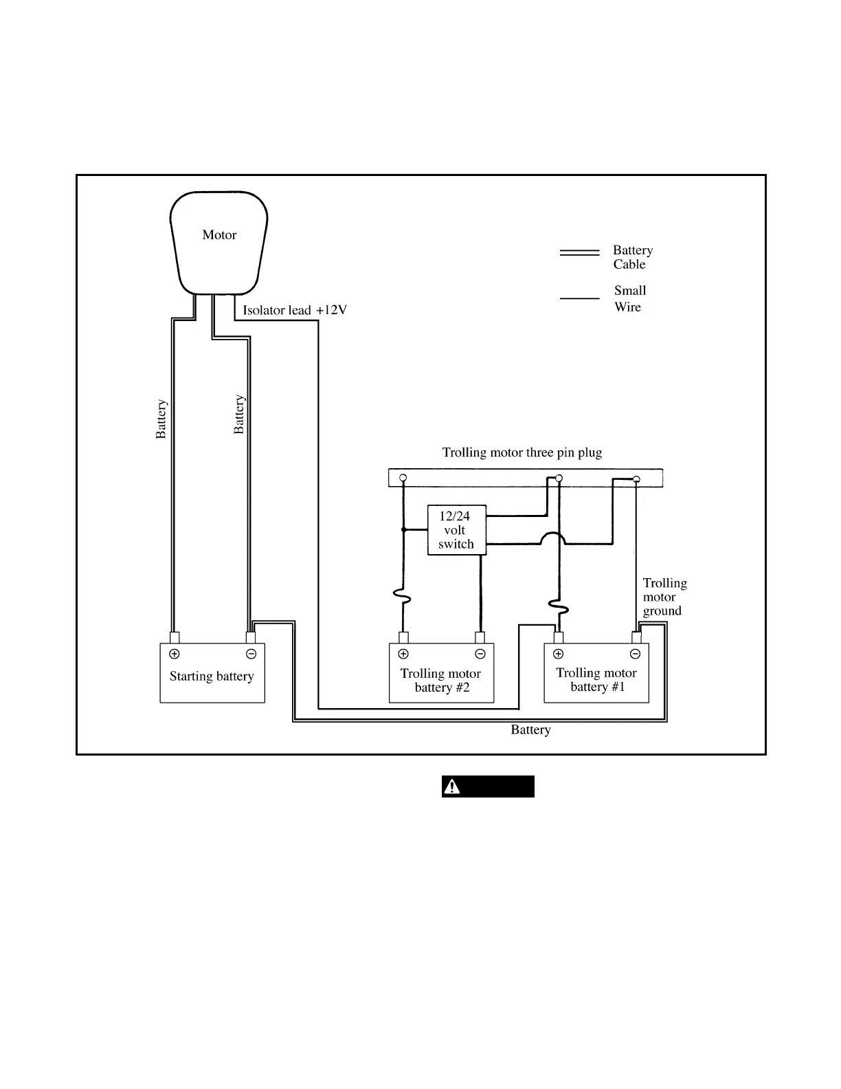
Outboard Rigging Guide - 2001 Battery Installations
Typical 12/24 Volt Trolling Motor
(3 pin plug)
NOTE: If only two batteries are used, and one
is being used for starting, do not use the bat-
tery isolator. Damage to the engines electrical
system could occur.
To reduce the risk of electrical short and fire:
The positive isolation lead must be at least
12 gauge wire.
The negative lead between batteries must
be the same size as the battery cable if the
second battery will be used for starting.
The negative lead between batteries must
be at least 12 gauge if the second battery
will be used to power a trolling motor.
WARNING

Table of Contents

Related product manuals