EasyManua.ls Logo

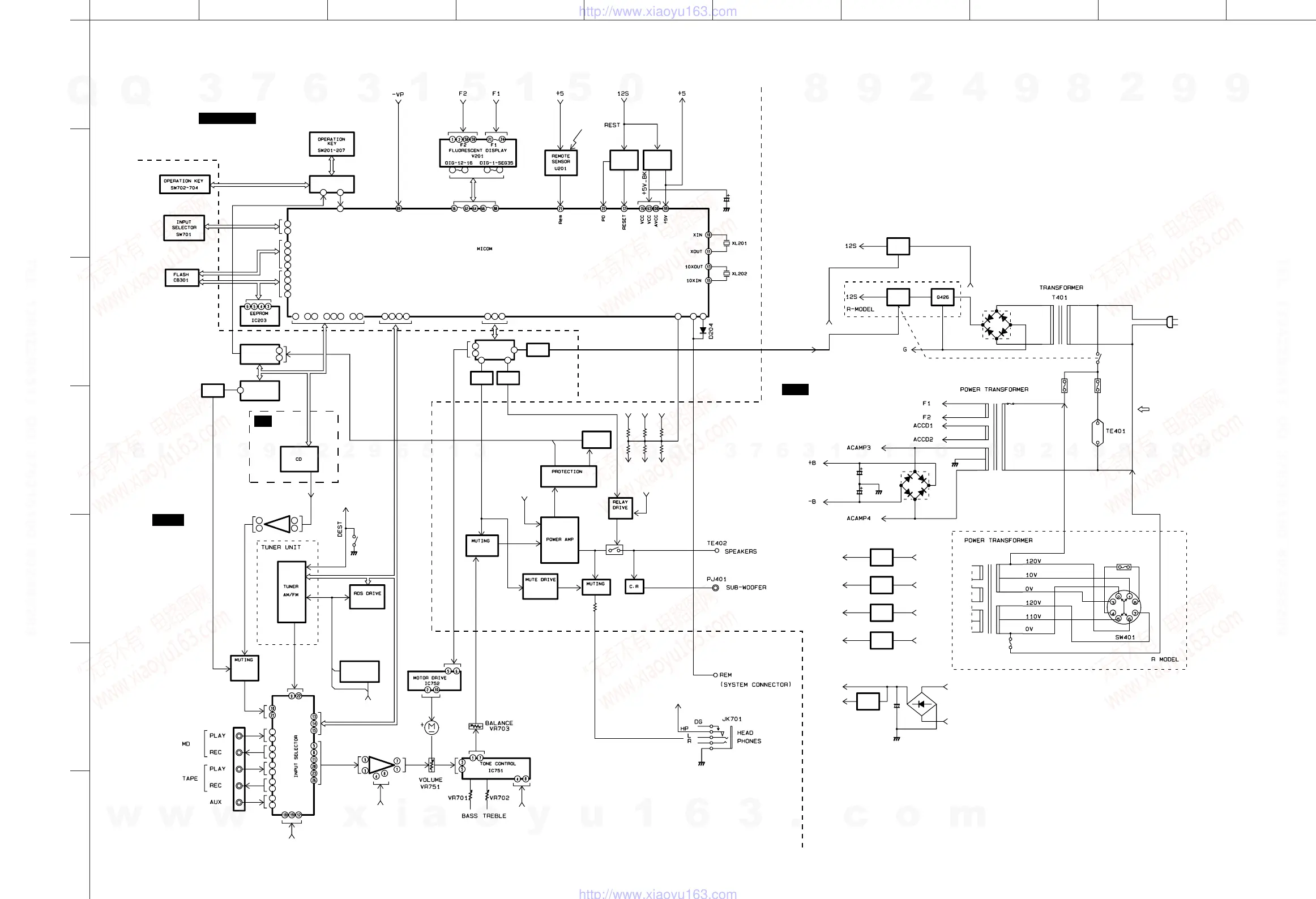
Yamaha CRX-E300 - Block Diagram (Part 1); Operation and Input Sections; CD, Tuner, and Motor Drive Sections; Power Supply and Amplifier Sections

Yamaha CRX-E300
86 pages
Print Icon
To Next Page IconTo Next Page
To Next Page IconTo Next Page
To Previous Page IconTo Previous Page
To Previous Page IconTo Previous Page
Loading...
ABCDEFGH I J
1
2
3
4
5
6
7
CRX-E300
39
BLOCK DIAGRAM (1/2)
See page 48
IC202
Q201, 203 Q202
COM
IC303
AD-IN
OPERATION
See page 49
CD
See page 47
INPUT
See page 50
MAIN
BACKUP CAPACITOR
FOR TIMER ONLY
C217
RY402,
Q414
RY402,
Q414
D408
F400
+12V
C457
C458
IC400
IC401
Q428
+5A
-12V
+B
D420
+B
-B
RY402,
Q414
3
13
Q415
-VP -B
Q402
+5M
+10V
ACCD1
ACCD2
91
VPRT
90
PD
22
CE
23
CLK
24
DAT-I
25
LCK-OUT
31
ROM-CLKO
32
ROM-DATI
332 5
〜 〜 〜
17 20 29 92 96 98
7
1
5
3
SYSIN
27
SYSO
28
ROM-CE-OUT
30
ROM-CLK0
32
ROM-DAT0
34
ROM-DAT1
33
LCK-OUT
31
VSS
65
RESET
12
CNVSS9
REB
7
REA
EXT-IN
8
4
2
IC301
SPRLY
10
11
12
IC302
8
Q301
Q305, 306
Q307, 308
IC307, Q309
B, G models only
SW301
R, K models only
U, C, A, B, G, K, J models only
U, C, A, B, G, K, J models only
RY402
F402
G model
only
F403
IC309
+12V
-12V
IC306
IC304
IC202 1 pin
MUTE
M1
+12V
-12V
+12V
-12V
IC305
Q303
+B,
-B,
+12V
+12V +5A
ACAMP3
-12V -VP
ACAMP4
D403, 404,
405
RY401
R506, 507
Q423, 430, 431, 433,
434
Q416, 422,
429
Q435, 436
Q432
PRLY
Q302
IC202 5 pin
JK302
+B
+12V
-12V
+12V
+5V
9
MUTE A
TH
PRO-I
Q304
Q401, 437
6
38
57
7
6
25
4
27
1
30
2
29
3
28
IC201
w
w
w
.
x
i
a
o
y
u
1
6
3
.
c
o
m
Q
Q
3
7
6
3
1
5
1
5
0
9
9
2
8
9
4
2
9
8
T
E
L
1
3
9
4
2
2
9
6
5
1
3
9
9
2
8
9
4
2
9
8
0
5
1
5
1
3
6
7
3
Q
Q
TEL 13942296513 QQ 376315150 892498299
TEL 13942296513 QQ 376315150 892498299
http://www.xiaoyu163.com
http://www.xiaoyu163.com

Other manuals for Yamaha CRX-E300

Related product manuals