EasyManua.ls Logo

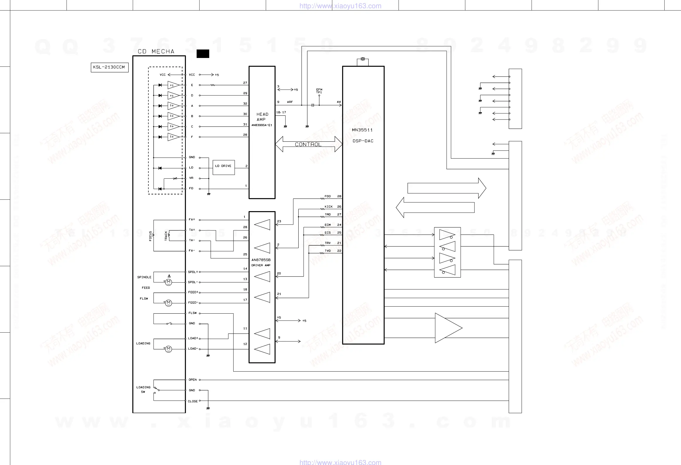
Yamaha CRX-E300 - Block Diagram (Part 2); CD Mechanism and Control Block Diagram

Yamaha CRX-E300
86 pages
Print Icon
To Next Page IconTo Next Page
To Next Page IconTo Next Page
To Previous Page IconTo Previous Page
To Previous Page IconTo Previous Page
Loading...
2
ABCDEFGH I J
1
3
4
5
7
CRX-E300
6
40
BLOCK DIAGRAM (2/2)
See page 49
CD
IC404
IC406
+A5V
CB412
CB5
CB409
Q400
LOUT
CB412
+D5V
+M5V
+12V
-12V
EFMGND
9810 SENSE
BLKCK
/TLOCK
/FLOCK
/CLDCK
STAT
TX
/MNRST
SUBQ
SQCK
/MLD
EFM
+5V
GND
ROUT
65, 66
63, 64
/FLSW
/OPSW
/CLSW
IC402
NJM2068MD
IC407
IC410
TC74HC125AF
132 MCLK MCLK
240 LDON
SIN
68 MDATA DATA-2
72 SBCK2
73 SUBC
16 DMUTE
w
w
w
.
x
i
a
o
y
u
1
6
3
.
c
o
m
Q
Q
3
7
6
3
1
5
1
5
0
9
9
2
8
9
4
2
9
8
T
E
L
1
3
9
4
2
2
9
6
5
1
3
9
9
2
8
9
4
2
9
8
0
5
1
5
1
3
6
7
3
Q
Q
TEL 13942296513 QQ 376315150 892498299
TEL 13942296513 QQ 376315150 892498299
http://www.xiaoyu163.com
http://www.xiaoyu163.com

Other manuals for Yamaha CRX-E300

Related product manuals