EasyManua.ls Logo

Yamaha IPA8200 - Page 94

Yamaha IPA8200
96 pages
Print Icon
To Next Page IconTo Next Page
To Next Page IconTo Next Page
To Previous Page IconTo Previous Page
To Previous Page IconTo Previous Page
Loading...
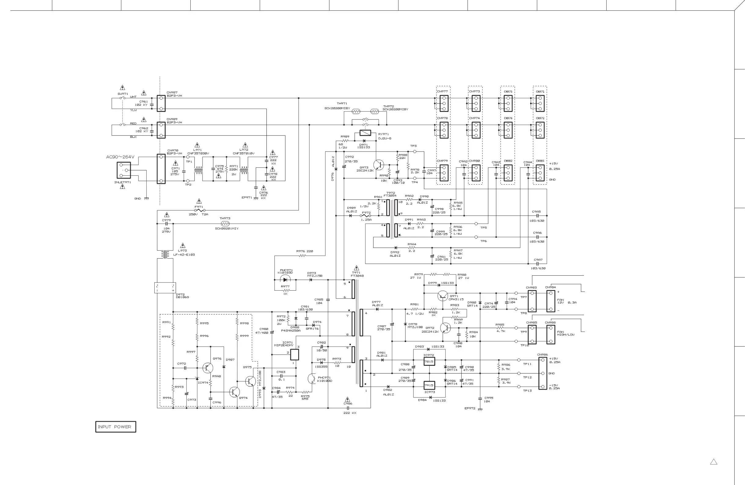
POWER
SWITCH
AC INLET
0
S5020144-3
XX : Not installed (未実装)
XX
XX
XX
XX
XX
XX
XX
XX
XX
XX
XX
XX
XX
XX
XX
XX
XX
XX
to POWER_CN901
<P. 18: B2>
to POWER_CN902
<P. 18: B3>
to POWER_CN903
<P. 18: B4>
to REAR_CN16
<P. 7: G2>
to MOTHER E-H_CN1505
<P. 14: I4>
to MOTHER A-D_CN1105
<P. 12: I4>
to FAN
(right)
to FAN
(left)
POWER
(A-B)
POWER
(C-D)
POWER
(E-F)
POWER
(G-H)
J I HGFEDCBA
1
2
3
4
5
6
7
IPA8200
17
INPUT POWER

Related product manuals