EasyManua.ls Logo

Yanmar 3JH4BE - Page 21

Yanmar 3JH4BE
214 pages
Print Icon
To Next Page IconTo Next Page
To Next Page IconTo Next Page
To Previous Page IconTo Previous Page
To Previous Page IconTo Previous Page
Loading...
1. GENERAL
5
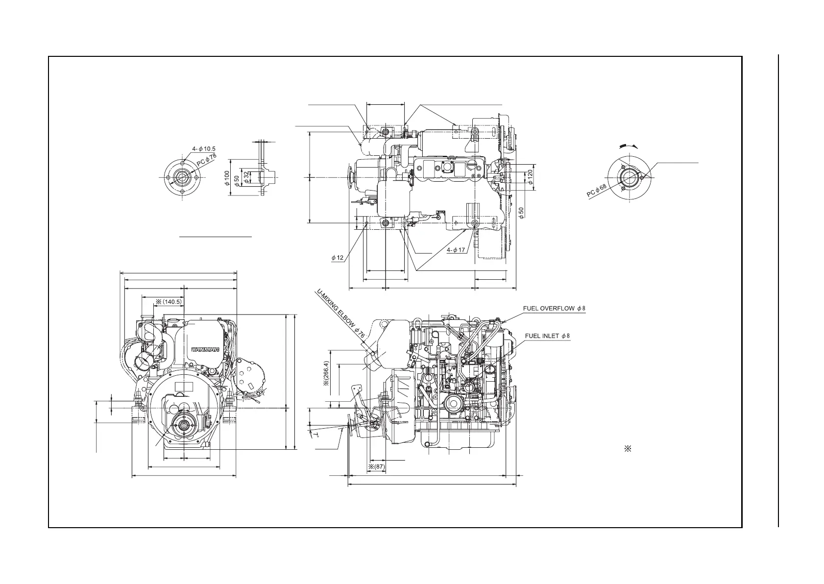
(2) 3JH4BE(with KM35A Marine gear)
+0.025
0
6 7.5
DETAIL OF COUPLING
SCALE 1:3
3-M10 X 1.5
DEPTH 14 / 20
DIRECTION OF ROTATION
DETAIL OF PULLEY
SCALE 1:3
194.1
(72.5)
5.955
AHEAD
ASTERN
723 47
776
(202.5)
79.5
538.6
(274)
517.6
243.6
ROTATION
MIN. 100
MAX. 110
32
167
120.493.2
330
480
191.2 431.4
622.6
NOTE
1. The original height of mounting blocks is shown
in this drawing. Engine weight will compress
blocks by 4mm (approx).
2. The figures marked with show the dimensions
with u-mixing elbow, or optional coupling.
(OPTIONA
L)
MIXING ELBOW
MOUNTING BLOCKS ID#150
MOUNTING BLOCKS ID#100
210
+0.025
0
210
60
7
U-MIXING ELBOW
174
206
12 X 30
412 190
143
168

Table of Contents