EasyManua.ls Logo

Yanmar 3JH4BE - Page 22

Yanmar 3JH4BE
214 pages
Print Icon
To Next Page IconTo Next Page
To Next Page IconTo Next Page
To Previous Page IconTo Previous Page
To Previous Page IconTo Previous Page
Loading...
1. GENERAL
6
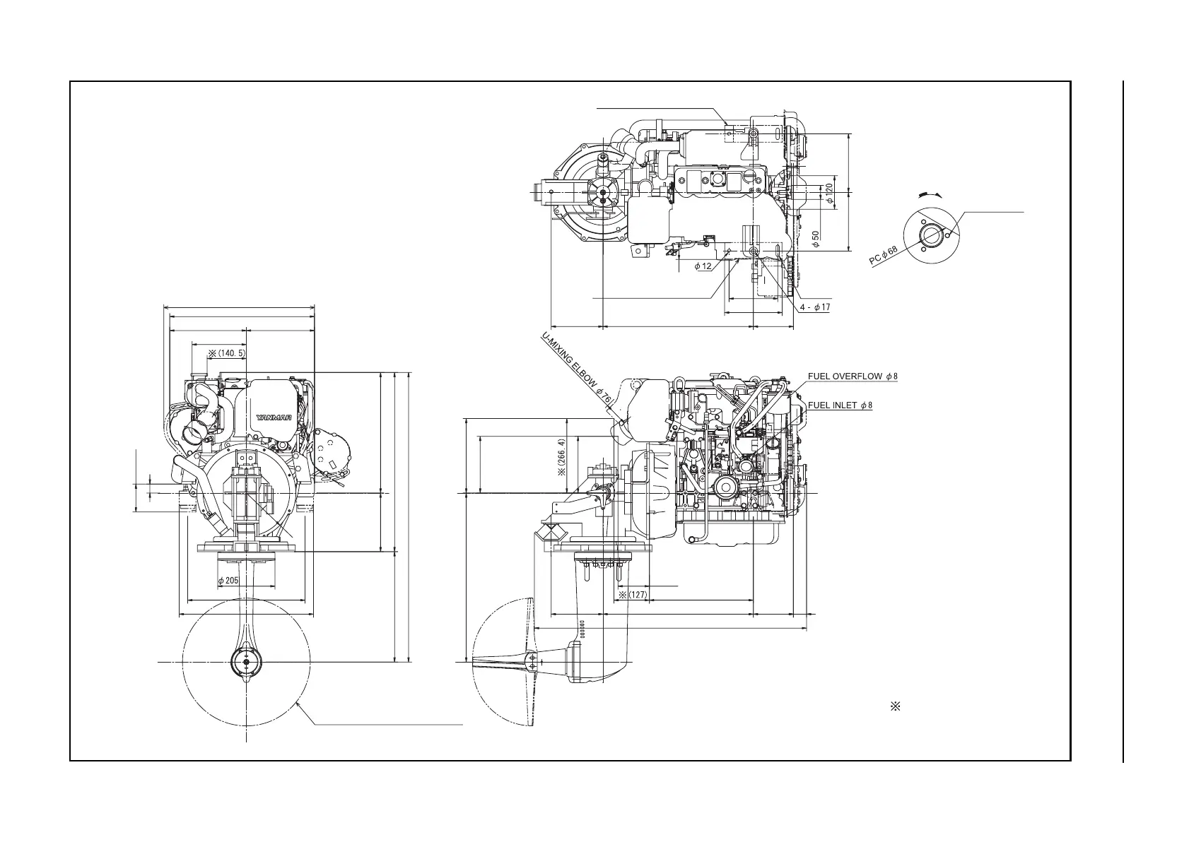
(3) 3JH4CE (with SD40 sail drive)
538.6
517.6
243.6
194.1
210
395
431.4
605
210
7
210
(266.4)
(202.5)
(202.5)
973
538
372
143
47
(112.5)
(185)
1036.4
641.4
420
480
Available propeller dia. 181 inch max.
167
MAX. 110
MIN. 105
32
(274)
3-M10 X 1.5
DEPTH 14 / 20
DIRECTION OF ROTATION
DETAIL OF PULLEY
SCALE 1:3
NOTE
1. The original height of mounting blocks is shown
in this drawing. Engine weight will compress
blocks by 4mm (approx).
2. The figures marked with show the dimensions
with u-mixing elbow, or optional coupling.
(OPTIONA
L)
MOUNTING BLOCKS ID#200
MOUNTING BLOCKS ID#200
+0.025
0
185 538
60
143
12 X 30
206
174

Table of Contents

Related product manuals