EasyManua.ls Logo

YASKAWA GA500 series - Page 63

YASKAWA GA500 series
794 pages
To Next Page IconTo Next Page
To Next Page IconTo Next Page
To Previous Page IconTo Previous Page
To Previous Page IconTo Previous Page
Loading...
Electrical Installation
3
3.2 Electrical Installation
YASKAWA SIEPC71061753C GA500 Technical Manual 63
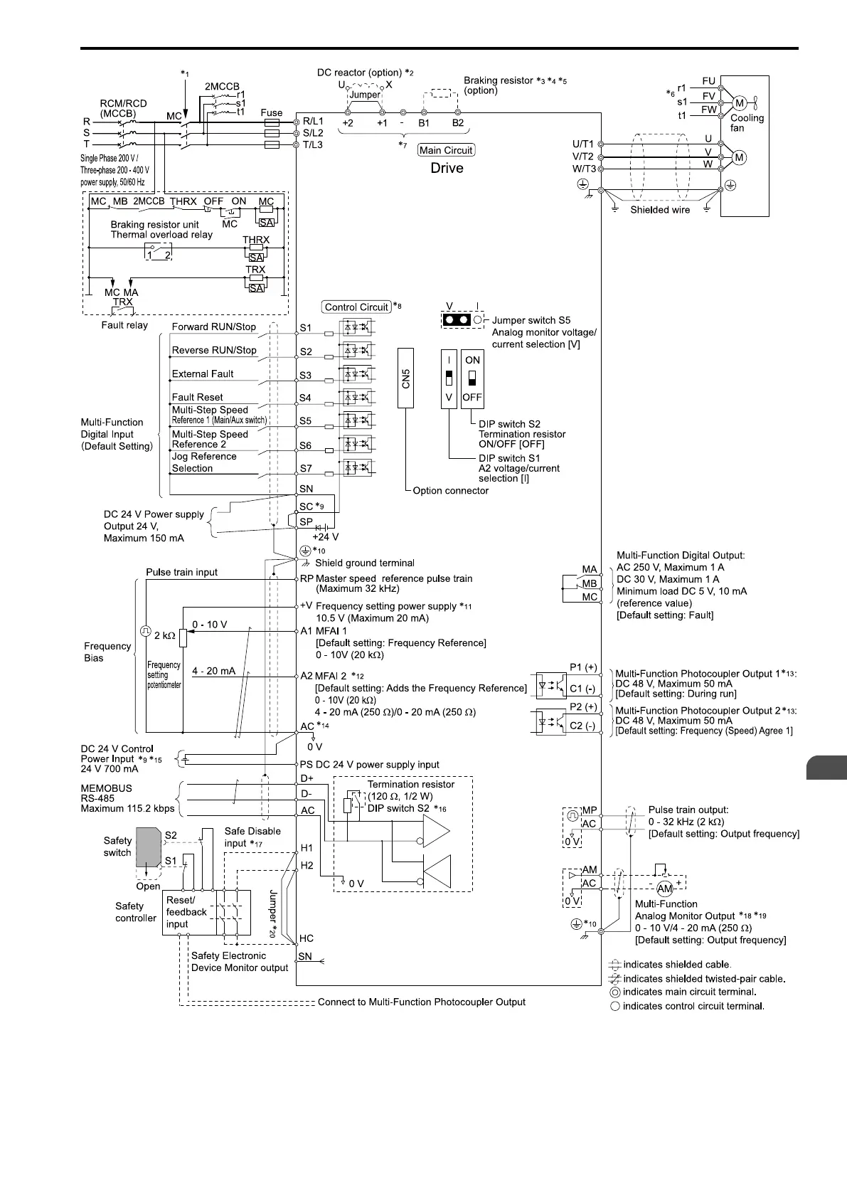
Figure 3.1 Standard Drive Connection Diagram
*1 Set the wiring sequence to de-energize the drive with the MFDO. If the drive outputs a fault during fault restart when you use the
fault restart function, set L5-02 = 1 [Fault Contact at Restart Select = Always Active] to de-energize the drive. Be careful when you
use a cut-off sequence. The default setting for L5-02 is 0 [Active Only when Not Restarting].
*2 When you install a DC reactor, you must remove the jumper between terminals +1 and +2.

Table of Contents

Other manuals for YASKAWA GA500 series

Related product manuals