EasyManua.ls Logo

Yazaki AROACE - Yazaki Authorized Service Provider Contact

Default Icon
24 pages
Print Icon
To Next Page IconTo Next Page
To Next Page IconTo Next Page
To Previous Page IconTo Previous Page
To Previous Page IconTo Previous Page
Loading...
16
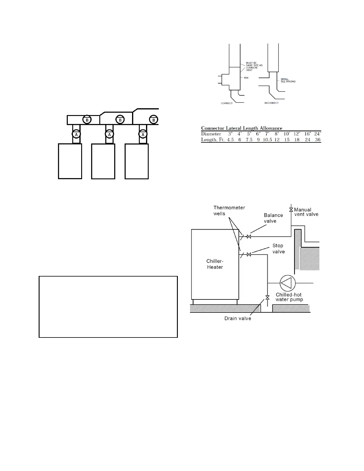
Things that do not change by manufacturer:
1. Barometric dampers (draft regulators) are
mandatory. They are required so that vent
conditions of one unit do not affect the
operation/venting of the other(s). Use a
separate damper for each chiller-heater with
the damper located as close as possible to
the unit (location A). If there is insufficient
room for installation at location A, use
location B as an alternative.
2. Size connecting Tees properly.
3. The maximum allowable lateral length (L) is
equal to 1.5 x diameter of the pipe in feet.
4. When the common pipe grows to become 7x
greater in area than the interconnecting pipe,
special rules will apply. Consult the pipe
manufacturer for these details and/or special
rules.
PIPING
After the chiller-heater has been leveled
properly, the piping for the chilled/hot water and
cooling water circuits may be installed. Piping
arrangements should be made with care so that
there is no interference with service access or
panel removal. Piping should be adequately
supported and braced independently of the unit
so as to avoid undue strain on the unit piping
connections. Maximum allowable pressure in
any fluid circuit is 150.0 PSI (1034 kPa).
CAUTION
1. Do not exceed 150.0 PSI (1034 kPa) in either
the chilled/hot water or the cooling water
circuits of the Yazaki chiller-heater.
2. Do not install any valves in expansion pipe
line.
Thermo-wells, pressure gauges, Pete’s
Plugs, etc. may be installed at the inlet and/or
outlet of each fluid circuit connection to facilitate
startup, future service, and routine maintenance.
Strainers in each circuit, particularly the cooling
water circuit, are recommended as well. These
should be placed before the inlet connection of
the chiller-heater.
Piping rules and conventions used with
Yazaki chiller-heaters are exactly the same as
used with any other type of chiller; therefore, this
installation manual will not delve deeply into
piping design.