EasyManua.ls Logo

Yazaki AROACE - Installation Guidance; Receiving and Inspection

Default Icon
24 pages
Print Icon
To Next Page IconTo Next Page
To Next Page IconTo Next Page
To Previous Page IconTo Previous Page
To Previous Page IconTo Previous Page
Loading...
6
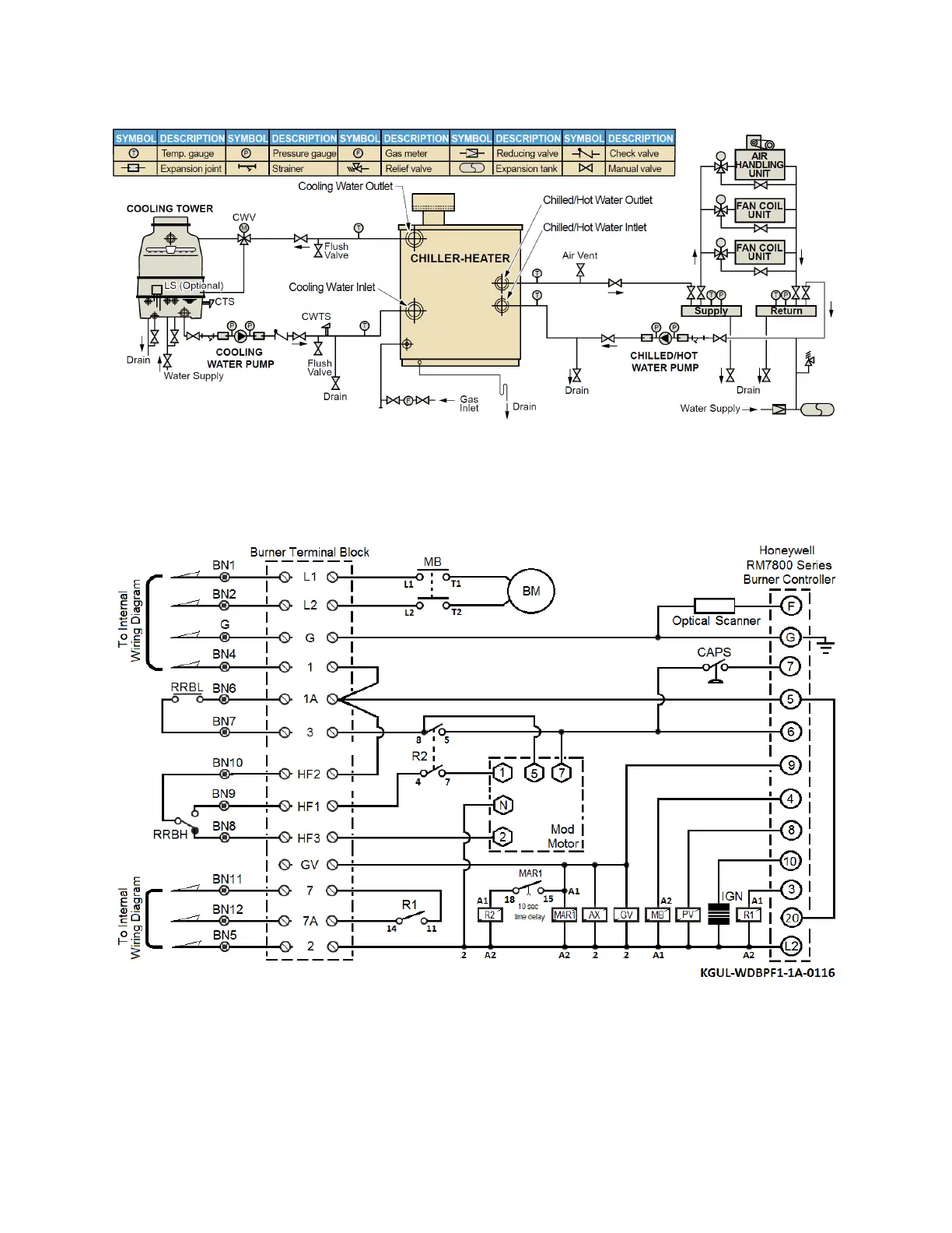
TYPICAL SYSTEM DESIGN
INTERNAL WIRING DIAGRAMS
Burner Diagram

Other manuals for Yazaki AROACE

Related product manuals