EasyManua.ls Logo

Zenith ZRY-316 - Rf Block Diagram

Zenith ZRY-316
172 pages
Print Icon
To Next Page IconTo Next Page
To Next Page IconTo Next Page
To Previous Page IconTo Previous Page
To Previous Page IconTo Previous Page
Loading...
5-54
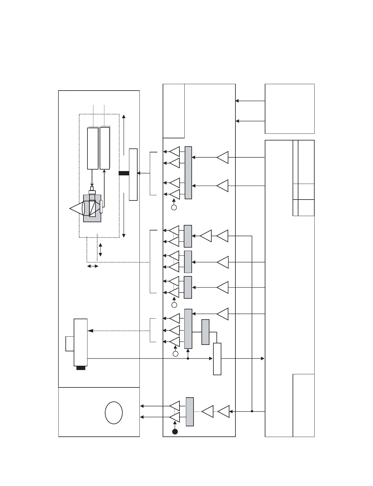
4. RF BLOCK DIAGRAM
SPINDLE
MOTOR
Disc
Pick
Pick
-
-
up
up
LD
Drive
r
LD
LD
Driver
Driver
SLED MOTOR
PD
PD
PD
MECHA
Level Shift
TRAY(-)
TRAY
(+)
HU,HV,HW
FG gen.
PRE LOGIC
Rev. Det
U,V,W
L.Shift
L.Shift
L.Shift
PRE LOGIC
A+ A- B+
B-
TRK+.-
F+.-
TILT+,-
UV
W
Ti-Tr DRV
SFG
MDRV
TDRV
FDRV
SDRV1
SDRV2
BD7954BFS
(Motor Driver
)
uPD63641
(DSP & MICOM)
74LVC374
(D F/
F)
CTL0
CTL1
CTL0 CTL1
L
L
H
L
--
H
ALL NOT OPER.
LOADING
SPIN/SLAD/AC
TU
L/M

Table of Contents

Other manuals for Zenith ZRY-316

Related product manuals