EasyManua.ls Logo

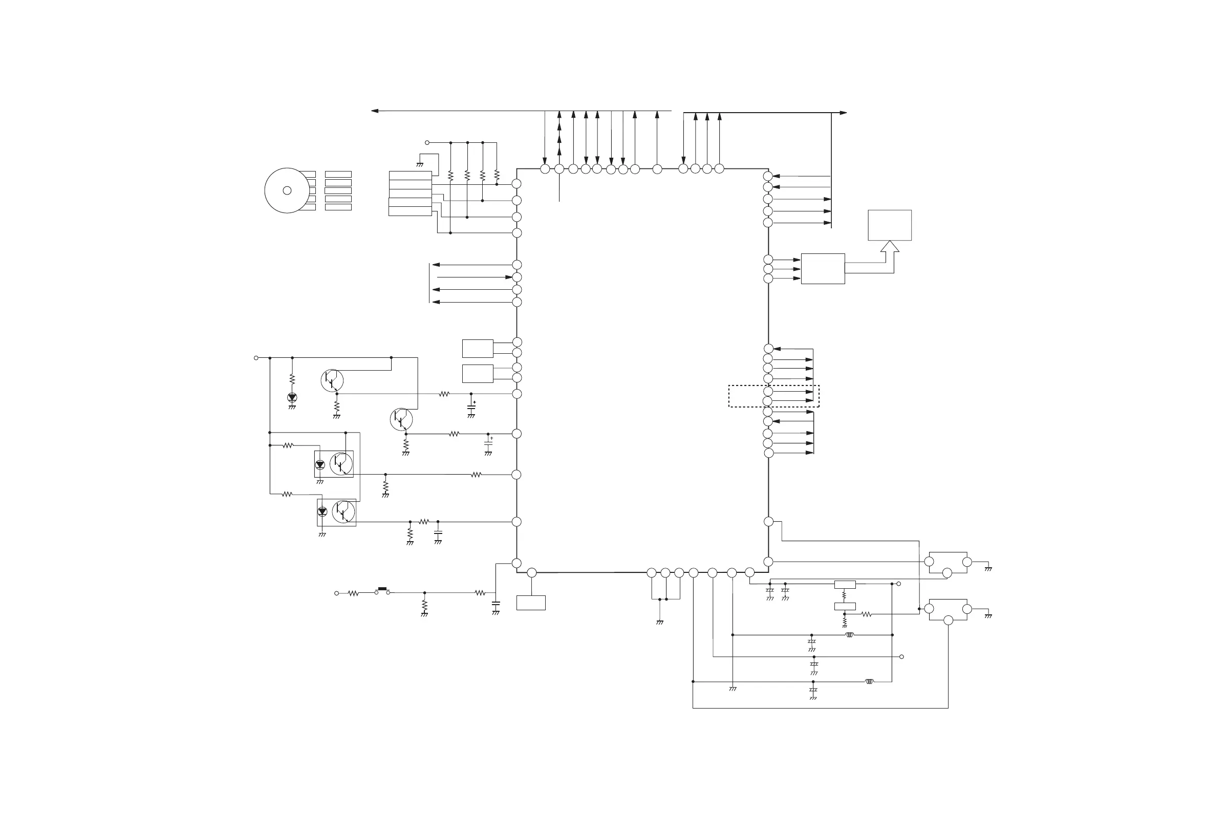
Zenith ZRY-316 - System Block Diagram

Zenith ZRY-316
172 pages
Print Icon
To Next Page IconTo Next Page
To Next Page IconTo Next Page
To Previous Page IconTo Previous Page
To Previous Page IconTo Previous Page
Loading...
3-24 3-25
3. SYSTEM BLOCK DIAGRAM
GND
MODE S1
MODE S2
MODE S3
MODE S4
MODE S/W
TO/FROM AVCP
TO/FROM AVCP
T-UP REEL
T-UP END
SUP REEL
CST.SW/REC TAP
5V
CS501
5.3VA
5.3VA
ES501
R550
LD501
DECK IR LED
R553
R555
RS501
RS502
R556
R558 C582
R538
R535
R537
R536
C534
R544
C552
R5C6
C500 C517
R541
R529
R583
L512
MS501
To/FROM DVD
X502
14MHz
32.768KHz
OSC
OSC
X501
1
2
RESET
GND
Vcc
3
5.3VA
5V
IC504
+
+ +
C592
+
C503
L501
R557
SUP END
ES502
C535
R564
R531
R/C
RC601
+
C561
TO/FROM DECK
TO/FROM DECK
Q503
Q501
CV IN
25
24
23
22
21
79
58
80
88
49
40
37
98
34
IC501
M37760
MODE S1
I-Limit
MODE S2
MODE S3
MODE S4
62
VDR ENA
66
VDR DATA
65
VCR DATA
67
VCR ENA
T-UP Sensor
T-UP Reel
SUP Reel
CST IN
Vss (AMP)
Vss (OSD)
Vss (SYSCON)
Vcc
(SYSCON)
Vcc
(SERVO)
CAP. PWM
CTL +
CTL -
CFG
CAP. REV 'H'
LD CTL
V. ENV
V.H.SW30
DPG
D.V.Sync
38
39
X out
Xc in
Xc out
X in
35
36
95
94
87
12 59
9
18
76
90
13
H.A.SW
16
77
11
DRUM PWM
53
Vcc (OSD)
20
SUP Sensor
14
99
Vcc (A/D)
TO/FROM AUDIO(Hi-Fi)
TO/FROM AUDIO(Hi-Fi)
TO/ FROM TU/IF
TO/ FROM TU/IF
72
100
26
VCR 'H'
IIC DATA
IIC CLK
CV OUT
AFT
71
52
POWER FAIL
78
A. MUTE 'H'
A. ENV
A. H.SW
REC 'H'
74
68
71
72
IIC CLK
IIC DATA
74
50
COMP IN
17
REC 'H'
15
C.ROT
84
A.MUTE'H'
FLD DATA
FLD ENA
FLD CLK
8
19
68
69
70
2
GND
Vcc
3
IC505
1
IC5F1
DISPLAY
LGXBR446 (LGEUS)

Table of Contents

Other manuals for Zenith ZRY-316

Related product manuals