EasyManua.ls Logo

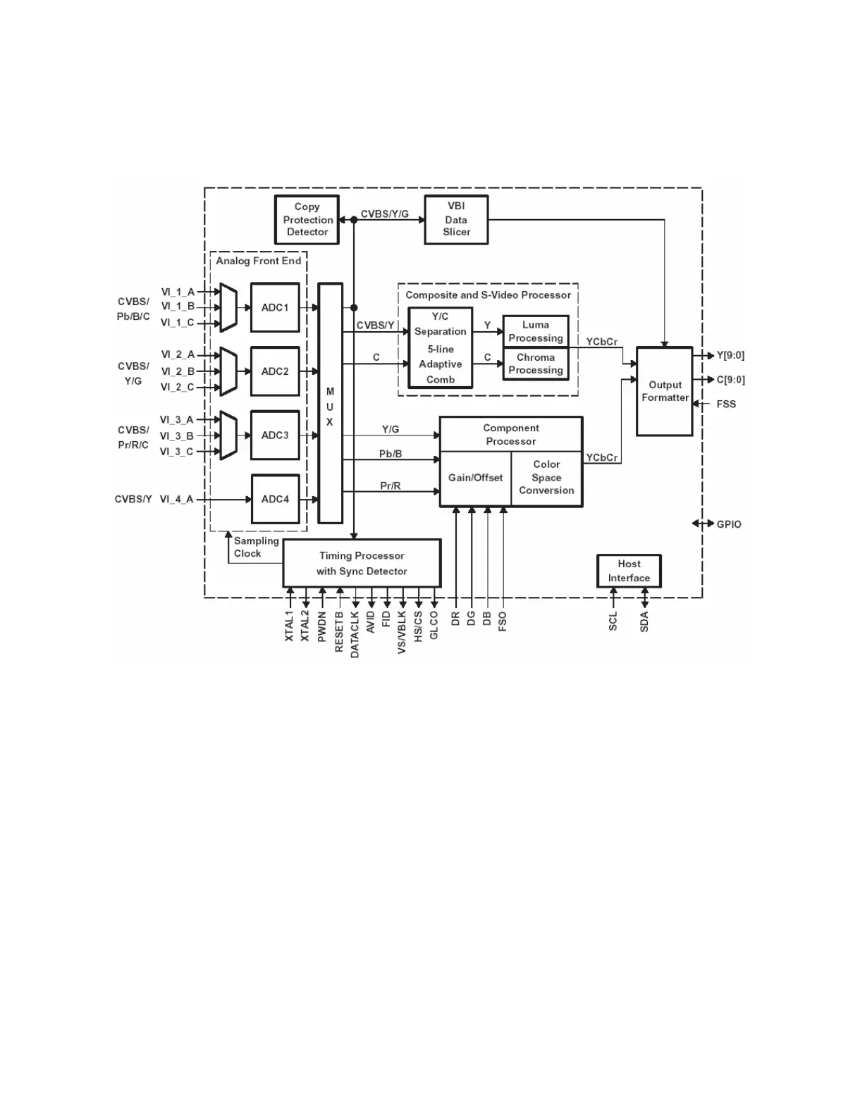
Zenith ZRY-316 - Digital Video Decoder (TVP5146 PFP) Internal Block Diagram

Zenith ZRY-316
172 pages
Print Icon
To Next Page IconTo Next Page
To Next Page IconTo Next Page
To Previous Page IconTo Previous Page
To Previous Page IconTo Previous Page
Loading...
3-76
4. DIGITAL VIDEO DECODER (TVP5146PFP ) INTERNAL BLOCK DIAGRAM

Table of Contents

Other manuals for Zenith ZRY-316

Related product manuals