EasyManua.ls Logo

zortrax Inkspire - Main Components

zortrax Inkspire
57 pages
Print Icon
To Next Page IconTo Next Page
To Next Page IconTo Next Page
To Previous Page IconTo Previous Page
To Previous Page IconTo Previous Page
Loading...
©2019, Zortrax S.A. All rights reserved. All trade names, logos and trademarks mentioned in the following
document are registered trademarks of Zortrax and are subject to legal protection.
10
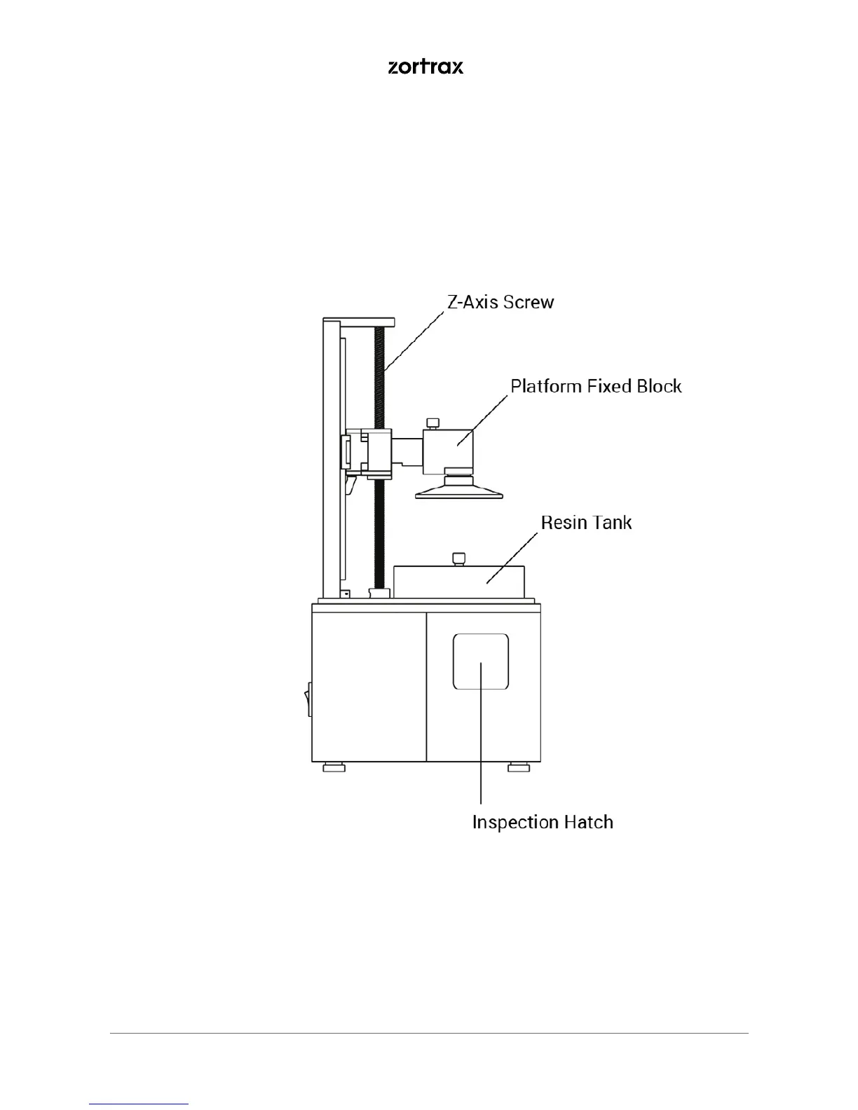
Main Components
1. Left-side view

Other manuals for zortrax Inkspire

Related product manuals