EasyManua.ls Logo

Zte MC889 - Connecting the POE Adapter

Zte MC889
68 pages
Go to English
To Next Page IconTo Next Page
To Next Page IconTo Next Page
To Previous Page IconTo Previous Page
To Previous Page IconTo Previous Page
Loading...
50
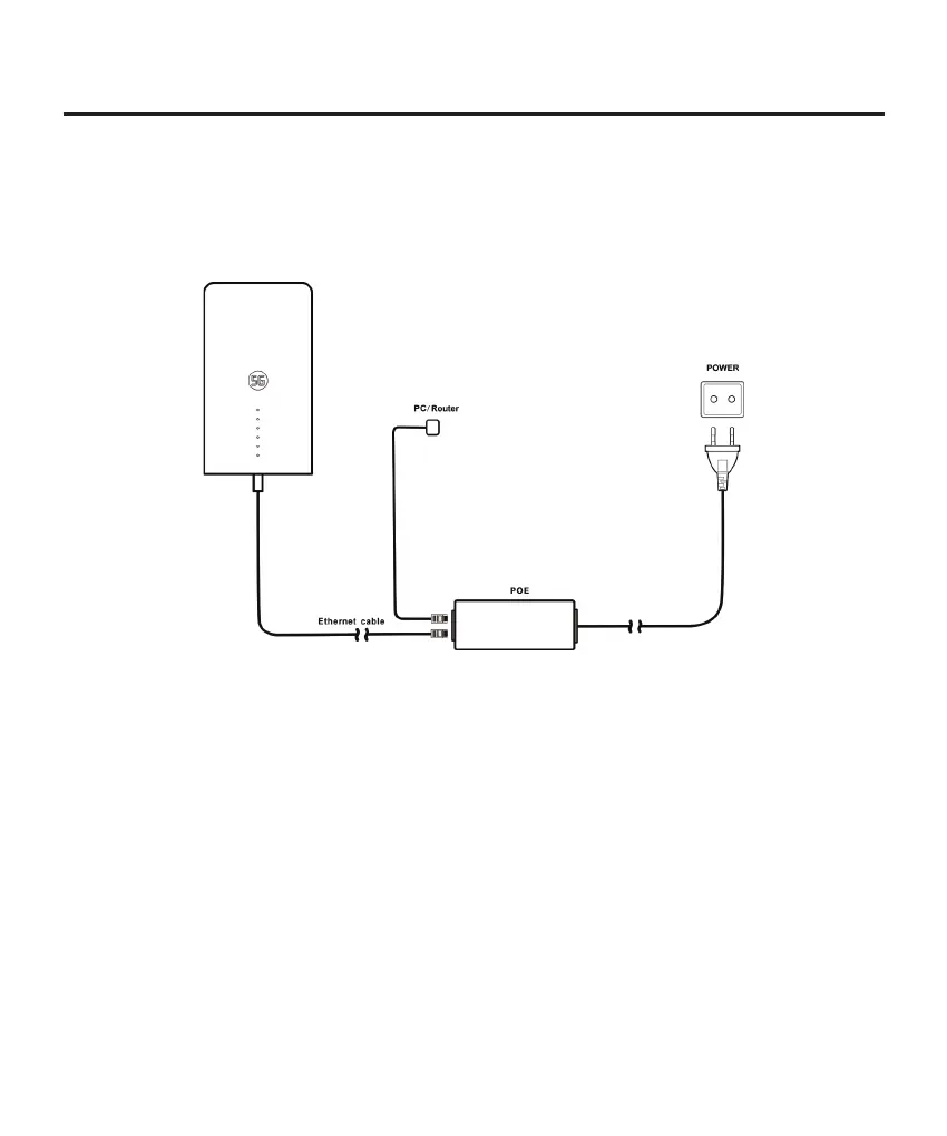
5. Connecting the POE Adapter
1. Connect the CAT5E network cable which is from the MC889 to the network
port (RJ45-2) on the POE adapter.
2. Connect the PC network port (RJ45-1) on the POE adapter to your PC/IDU
(router) with the RJ-45 network cable.

Related product manuals