EasyManua.ls Logo

3M 40800 - Page 128

3M 40800
146 pages
Print Icon
To Next Page IconTo Next Page
To Next Page IconTo Next Page
To Previous Page IconTo Previous Page
To Previous Page IconTo Previous Page
Loading...
27
28
1
20
21
29
29
13
13
9
13
19
17 18
17
16
15
11
12
27
2
4
3
25 24
5
32
23
7
23
10
31
31
32
31
31
8
26
22
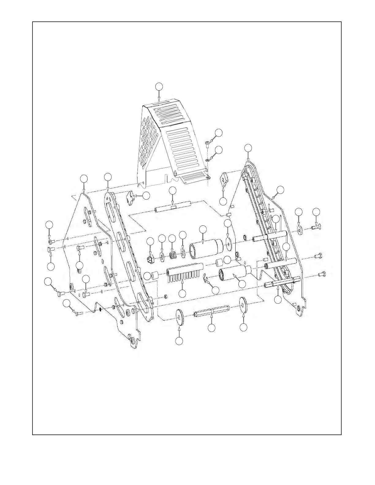
AccuGlide 3 Taping Head - 3"
2009 February
Figure 10932 – Upper Head

Table of Contents

Related product manuals