EasyManua.ls Logo

ABAC FORMULA Series - Page 12

ABAC FORMULA Series
91 pages
Print Icon
To Next Page IconTo Next Page
To Next Page IconTo Next Page
To Previous Page IconTo Previous Page
To Previous Page IconTo Previous Page
Loading...
X
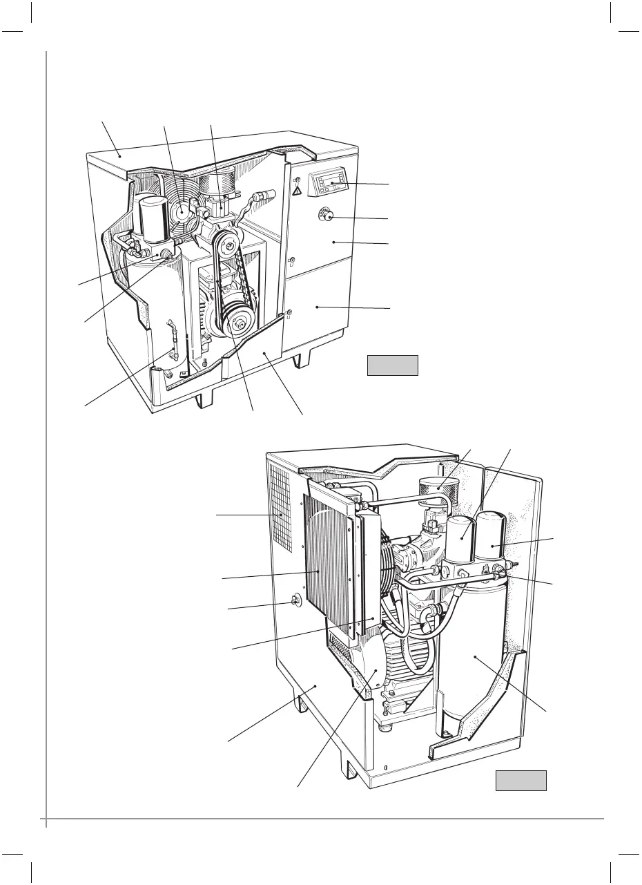
MODULO 5.5 - 7.5 kW
Fig. 19
Fig. 20
FO
FD
FA
SS
ES
FU
MA
RA / RO
PP
MP
PC
PE
SCE
SF
VAEV
BF
VT
TRL
CT
PF
VS
PS

Table of Contents

Related product manuals