EasyManua.ls Logo

ABAC FORMULA Series - Page 13

ABAC FORMULA Series
91 pages
Print Icon
To Next Page IconTo Next Page
To Next Page IconTo Next Page
To Previous Page IconTo Previous Page
To Previous Page IconTo Previous Page
Loading...
XI
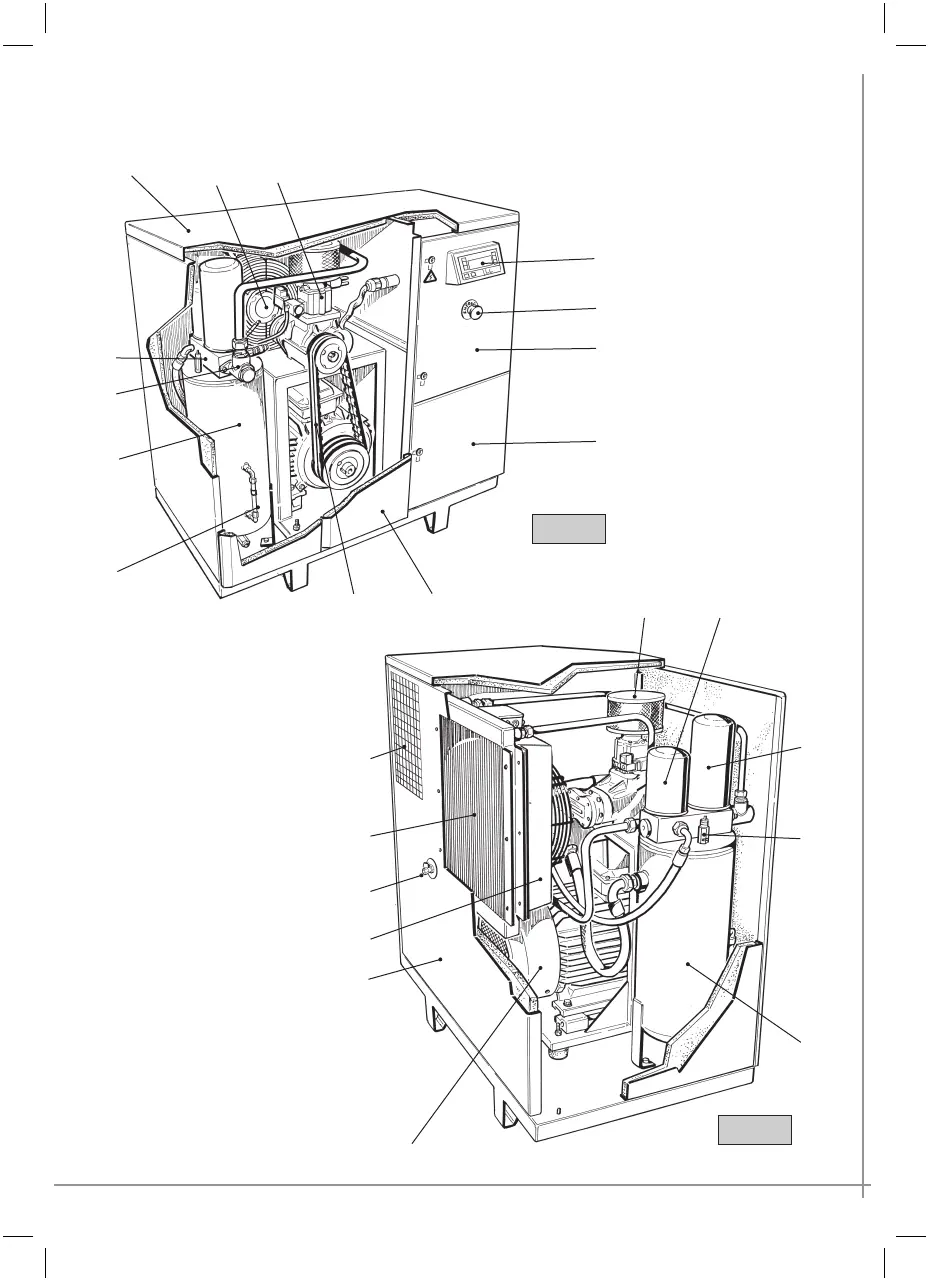
MODULO 11 - 15 kW
BA 51
Fig. 21
Fig. 22
PC
PE
SCE
SF
PFCT
TRL
SS
VR
PS
EV VA
FA
FO
FD
VS
SS
MP
PP
RA / RO
MA
FU
ES
BF

Table of Contents

Related product manuals