EasyManua.ls Logo

ABB PSTX 570 - Circuit Diagram (IEC Version); Circuit Diagram (UL Version)

ABB PSTX 570
60 pages
Print Icon
To Next Page IconTo Next Page
To Next Page IconTo Next Page
To Previous Page IconTo Previous Page
To Previous Page IconTo Previous Page
Loading...
56 Circuit Diagrams | Service Manual | 1SFC13105M0201
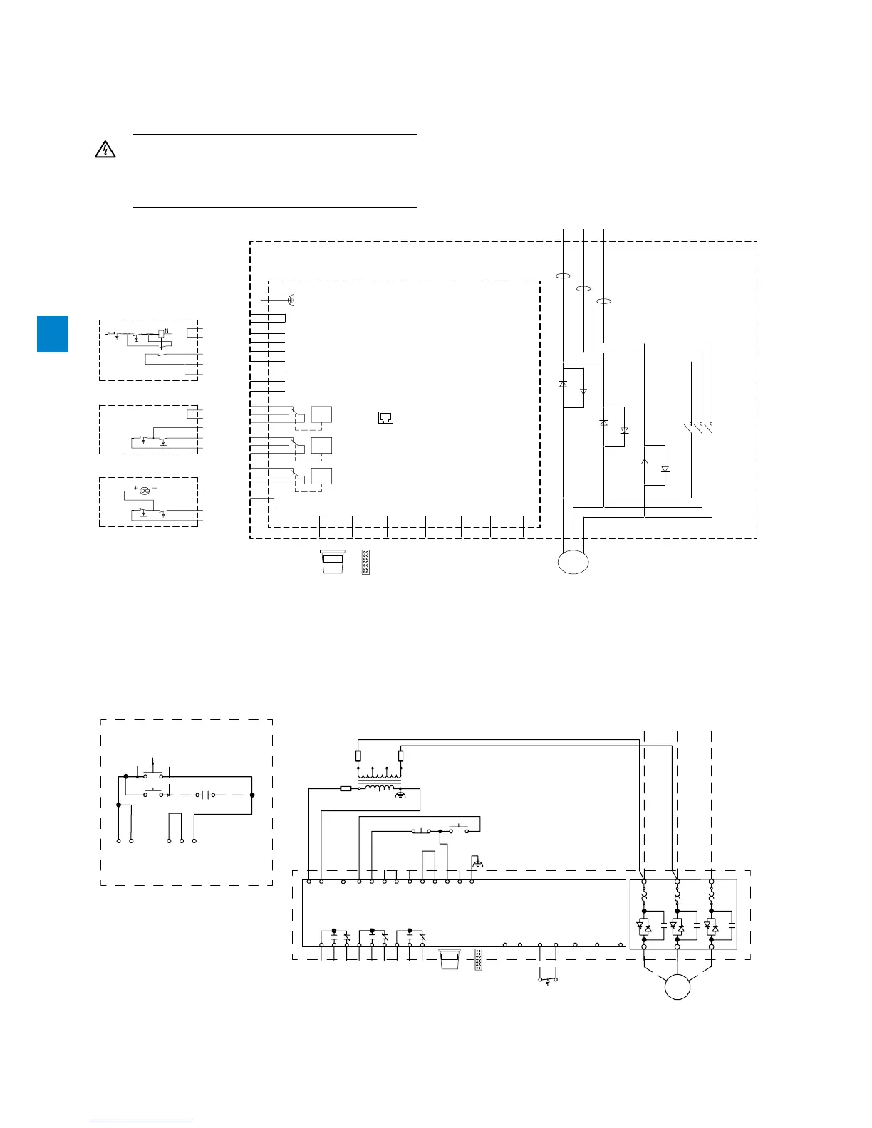
4.1 Circuit diagram PSTX
4.1.1 Circuit diagram
PSTX30...PSTX1250 (IEC version)
CAUTION
Terminal 22 is a function earth, it is not a
protection earth. It shall be connected to the
mounting plate.
Bypass*
100-250V
50/60 Hz
L
L
N
Internal control voltage
Stop Start
Stop Start
Internal control voltage
19
18
20, 21
20, 21
13
14
19
18
13
14
21
22
GND
In0
Low Voltage Board
Internal
Bypass
Contactor
Start
Stop
In1
In2
DGND
+24V
20
19
18
17
16
15
13
14
HMI
PTC
PT100
Anybus Analog out GND+24VModbus
Extension I/O
Fieldbus
23, 24 25, 26, 27 28
2
1
29 30
Anybus
External control voltage 24V DC
18
13
14
Stop Start
M
UVW
2T1
4T2
6T3
1L1
3L2
5L3
V5
V6
K2
V4
V3
V2
V1
Ct1
Ct2
Ct3
2T1 1L1
K5
K4
12
11
10
9
8
7
6
5
4
K6
3
* Only on PSTX470 ... PSTX1250
4T2 3L2
6T3 5L3
4.1.2 Circuit diagram
PSTX30...PSTX1250 (UL version)
ACB
INCOMING LINES
CXFU
CHFU
CCT
CHFU
START
STOP
20 21191816 1715 22
28 29 302423
13 1421
LN
GND
Start
Stop
100-250V
50/60 Hz
Bypass*
+24V
In1
In2
K4
Relay
K6
Relay
K5
Relay
Modbus
Extension I/O
Anybus Fieldbus
In0
DGND
MTR
MTR
L1
T1 T2 T3
L3
L2
K1
K3
K2
HAND
AUTO
OFF
2423
1413
STOP 13
14
20, 21
19
18
START
OPTIONAL HOA WI RING
+24V
25, 26, 27
GND
DGND
45678910 11 12
H1 H2 H3 H4
21 22 13 14
Anybus
PTC
PT100
+24V
Analog
out
GND
3
L
* Only on PSTX470 ... PSTX1250
4

Related product manuals