EasyManua.ls Logo

ABB REF542plus - Page 50

ABB REF542plus
66 pages
Print Icon
To Next Page IconTo Next Page
To Next Page IconTo Next Page
To Previous Page IconTo Previous Page
To Previous Page IconTo Previous Page
Loading...
Multifunction Protection and Switchgear Control unit REF542plus
Manual: Motor Protection with ATEX-Certification
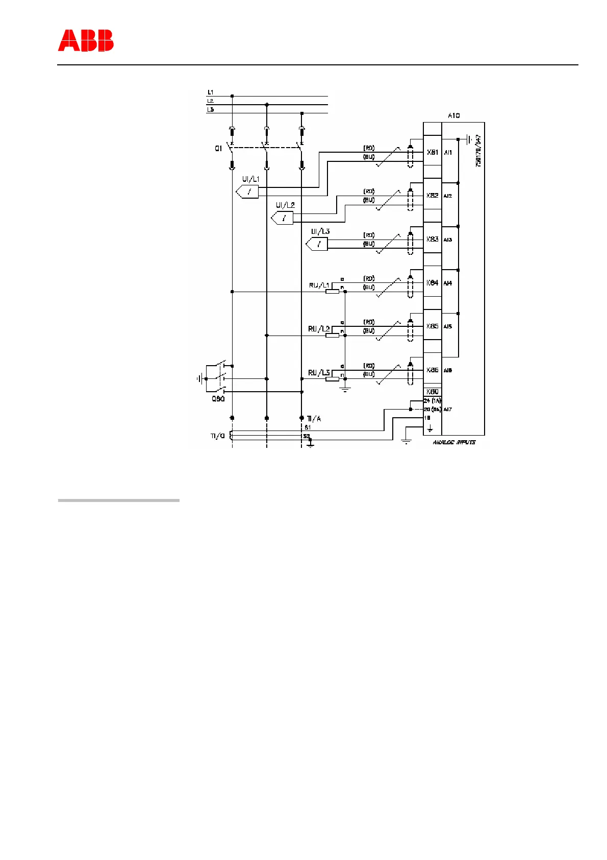
Figure 25: Example of connection diagram for incoming or outgoing bays with sensors
Caution
Due to accuracy requirements the length of the cable connection to the sensors
in other bay respectively panels should be less than 7 m
1VTA100114-Rev. 04 en PTMV, 19.01.05 Motorprotection 50 / 66
Valid from Version V4D02

Table of Contents

Other manuals for ABB REF542plus

Related product manuals