EasyManua.ls Logo

ABB REF542plus - Connection to PC for Configuration; Optical to RS232 Converter Cable; Downloading Configuration

ABB REF542plus
66 pages
Print Icon
To Next Page IconTo Next Page
To Next Page IconTo Next Page
To Previous Page IconTo Previous Page
To Previous Page IconTo Previous Page
Loading...
Multifunction Protection and Switchgear Control unit REF542plus
Manual: Motor Protection with ATEX-Certification
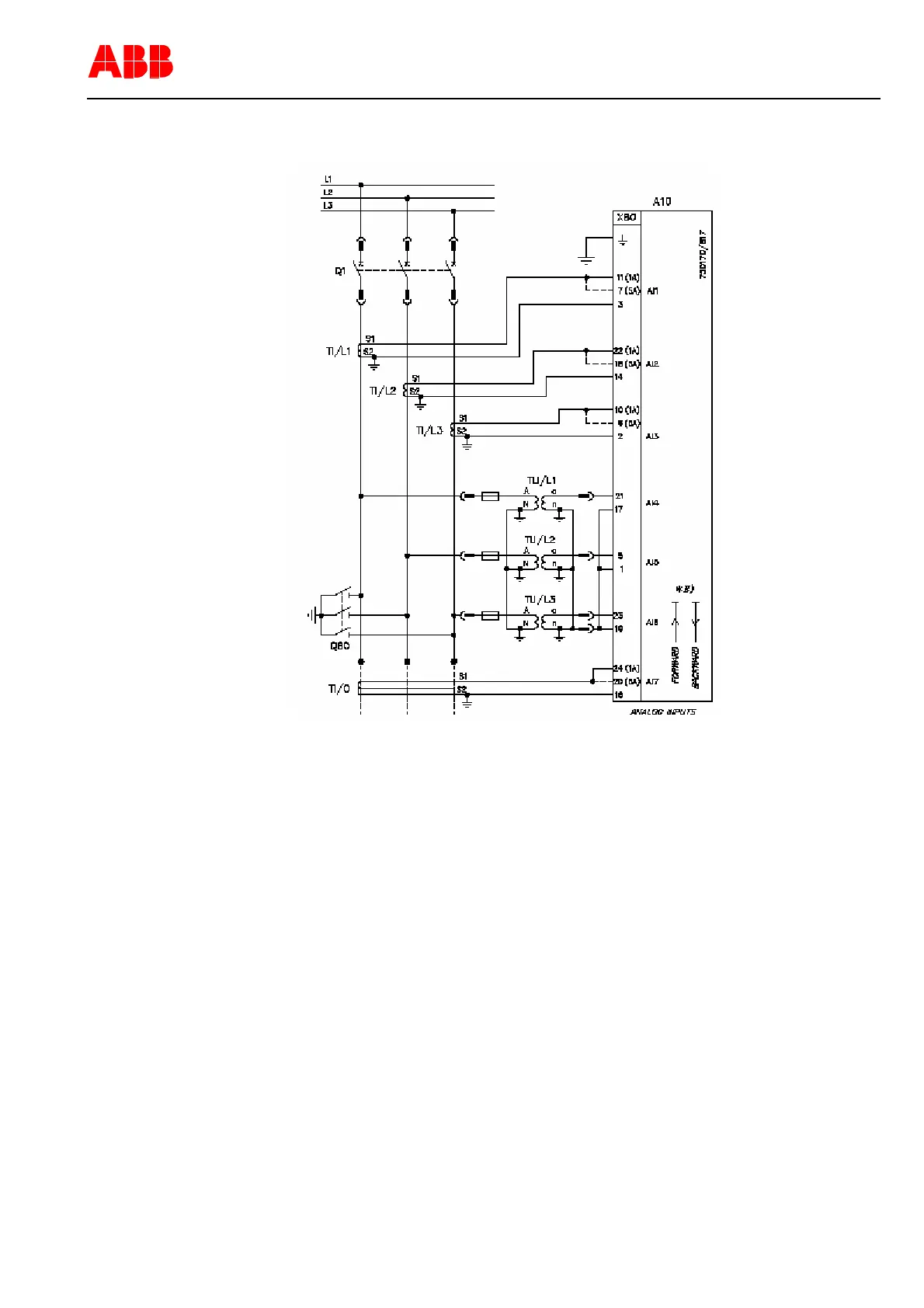
7.2.6 Connection Example of the REF542plus Analog Inputs
Figure 24: Example of connection diagram for incoming or outgoing bays with transformers
1VTA100114-Rev. 04 en PTMV, 19.01.05 Motorprotection 49 / 66
Valid from Version V4D02

Table of Contents

Other manuals for ABB REF542plus

Related product manuals