EasyManua.ls Logo

ABB REF542plus - Changing Active Parameter Set

ABB REF542plus
80 pages
Print Icon
To Next Page IconTo Next Page
To Next Page IconTo Next Page
To Previous Page IconTo Previous Page
To Previous Page IconTo Previous Page
Loading...
REF 542plus switchbay protection and control unit
Manual Part 3: Installation and Commissioning
1VTA100004-en DMS,2001-10-04 REF542plus: Installation and Commissioning 32 / 80
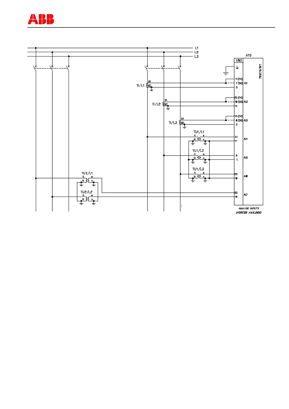
Figure 14: Example of connection diagram for the synchronism check with transformers

Table of Contents

Other manuals for ABB REF542plus

Related product manuals