EasyManua.ls Logo

ABB REF542plus - Viewing and Changing Control Parameters

ABB REF542plus
80 pages
Print Icon
To Next Page IconTo Next Page
To Next Page IconTo Next Page
To Previous Page IconTo Previous Page
To Previous Page IconTo Previous Page
Loading...
REF 542plus switchbay protection and control unit
Manual Part 3: Installation and Commissioning
1VTA100004-en DMS,2001-10-04 REF542plus: Installation and Commissioning 33 / 80
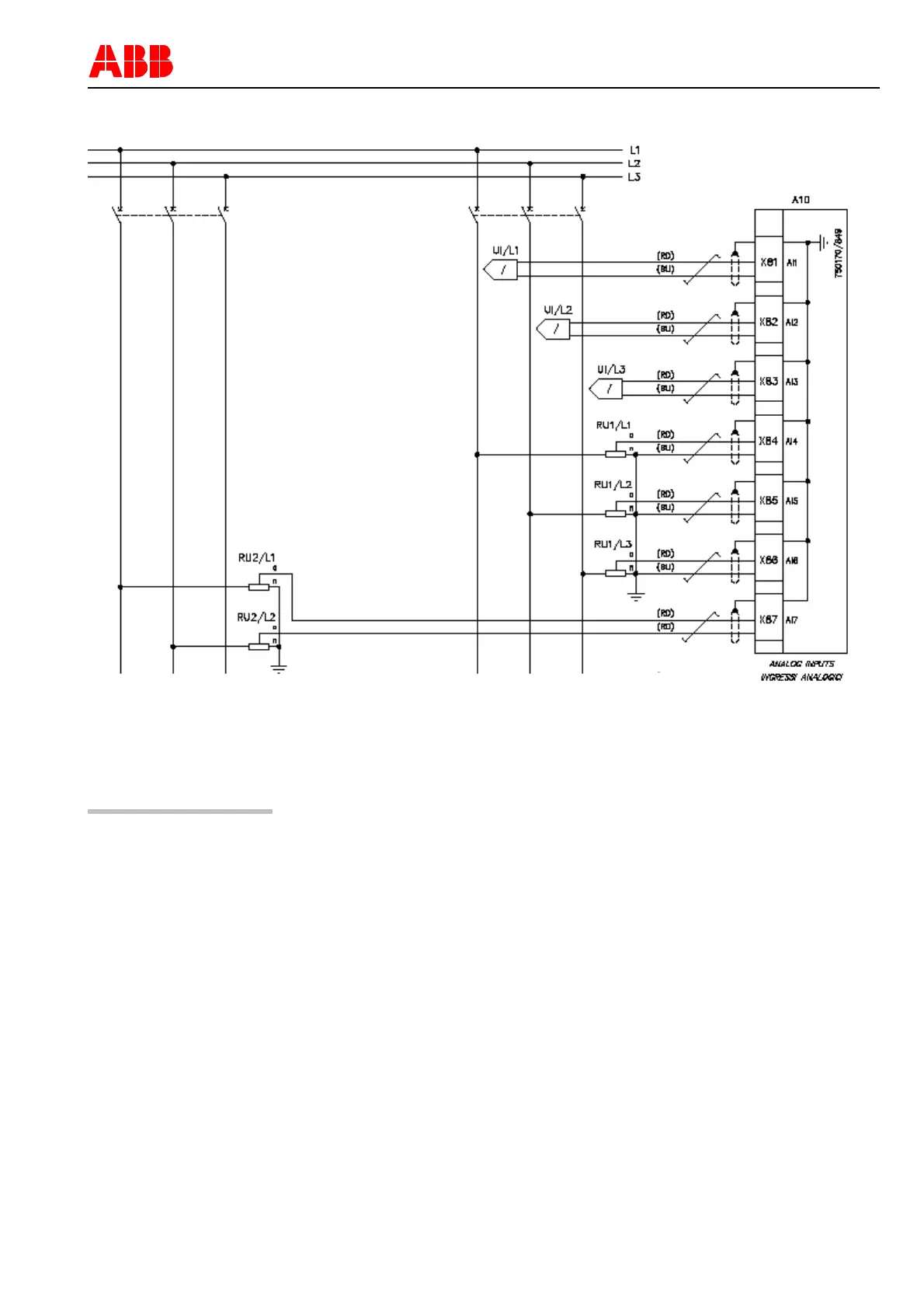
Figure 15: Example of connection diagram for the synchronism check with sensors
Caution
Due to accuracy requirements the length of the cable connection to the sen-
sors in other bay respectively panels should be less than 7 m

Table of Contents

Other manuals for ABB REF542plus

Related product manuals