EasyManua.ls Logo

Acer X193HQ - Chapter 7 Schematic Diagram; Main Board

Acer X193HQ
47 pages
To Next Page IconTo Next Page
To Next Page IconTo Next Page
To Previous Page IconTo Previous Page
To Previous Page IconTo Previous Page
Loading...
40
Schematic Diagram
Main Board
H_Sy nc
DDC1_SCL
T8RMM5D82WABAN 1C-2
ACER X193HQ/X183H
B
47Wednesday , July 09, 2008
715G2904-1D-2
<
称爹
>
02.Input
G2904-1D-2-X-8-080709
OEM MOD EL Size
Rev
Date
Sheet
of
TPV MOD EL
PCB NAME
称爹
T P V ( Top Victory Electronics Co . , Ltd. )
Key Component
DSUB_B- 5
VGA_B-
VGA_G+
VGA_R+
R101 0R05 1/10W 5%
DSUB_SDA
Prevent EDID Tool Issue
DSUB_SCL
候綼 
U103
DSUB_SOG 5
DSUB_5V
R120
10K 1/16W 5%
VGA_B-
VGA_PLUG
C114
NC
U102
AZC099-04S
1
2
3 4
5
6
I/O1
GND
I/O2 I/O3
VDD
I/O4
U103
AZC099-04S
1
2
3 4
5
6
I/O1
GND
I/O2 I/O3
VDD
I/O4
GND POWER
DSUB_SCL
R103 100R 1/16W 5%
C113
0.047uF
CN101
DB15
1
6
2
7
3
8
4
9
5
11
12
13
14
15
10
17 16
DSUB_H 5
C111
5pF/ 50V
VCC3.3
VGA_R+
H_Sy nc
ESD_VCC
FB101
BEAD
1 2
R107
75R 1/16W 5%
R118
1K 1/16W 5%
VGA_B+
R109
390 OHM 1/16W
DDC1_SDA5
ESD_VCC 5
候綼 
U101
VGA_G-
R104
100R 1/16W 5%
R114
100R 1/16W 5%
C107
0.047uF
R106
2K2 1/16W 5%
C109
0.047uF
DSUB_R- 5
VGA_R-
DSUB_5V 5
R110
100R 1/16W 5%
C102
22pF
R105
2K2 1/16W 5%
R108
100R 1/16W 5%
DSUB_V 5
DSUB_B+ 5
C103
22pF
DGND
R113
100R 1/16W 5%
ESD_VCC
VGA_B+
C104
5pF/ 50V
VGA_G-
VGA_PLUG
R116
75R 1/16W 5%
FB102
BEAD
1 2
ZD103
UDZSNP5.6B
1 2
DSUB_G+ 5
R112
75R 1/16W 5%
FB103
BEAD
1 2VGA_G+
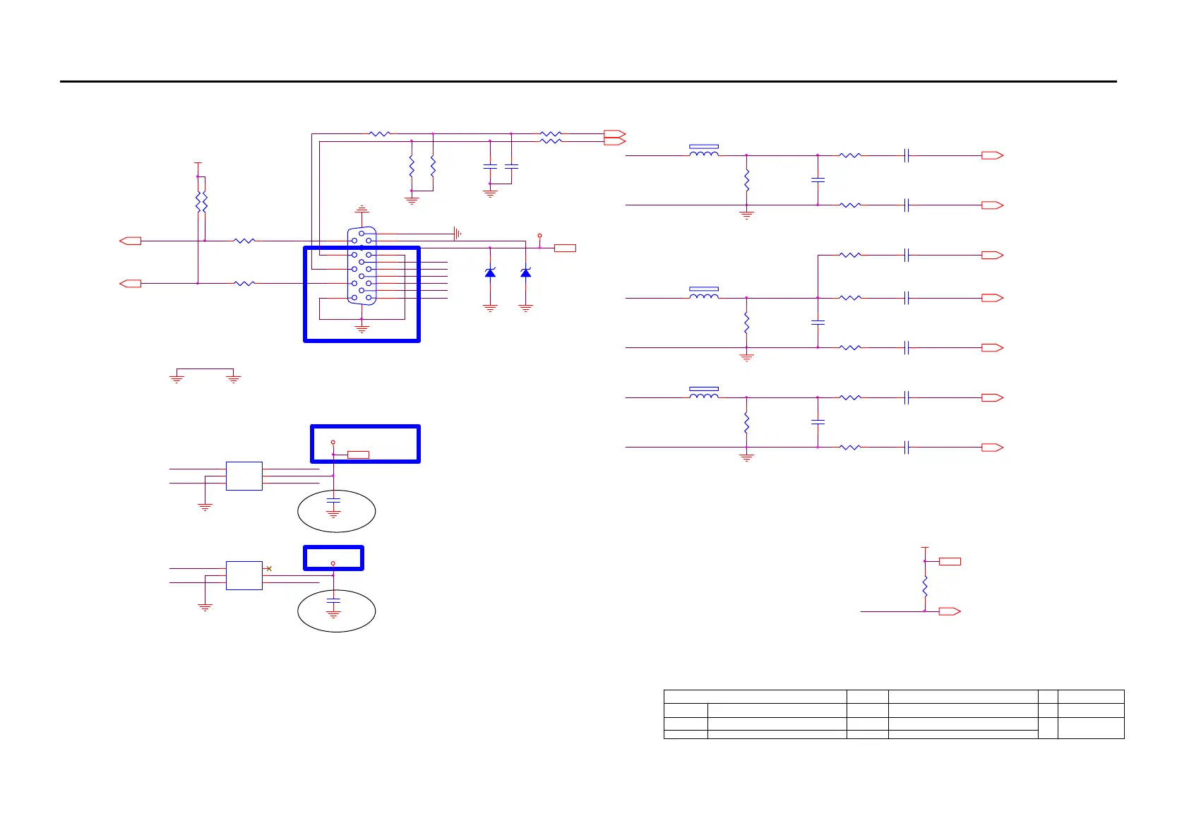
Connect Pin4 and Pin11 of CN101 to
GND to prevent ESD issue.
VGA_B+
DET_CABLE 5
DSUB_SDA
C115
NC
DSUB_G- 5
V_Sy nc
DSUB_R+ 5
R115
100R 1/16W 5%
C110
0.047uF
VCC3.3
DDC1_SCL5
VGA_R-
R121
10K 1/16W 5%
DSUB_5V
C108
5pF/ 50V
R117
100R 1/16W 5%
VGA_R+
ZD104
UDZSNP5.6B
1 2
R102 100R 1/16W 5%
DDC1_SDA
C106
0.047uF
V_Sy nc
R111
100R 1/16W 5%
C101
0.047uF
VGA_G+
VCC3.3 7
C105
0.047uF
Chapter 7
http://www.wjel.net

Other manuals for Acer X193HQ

Related product manuals