EasyManua.ls Logo

Acer X193HQ - Unstable Power

Acer X193HQ
47 pages
To Next Page IconTo Next Page
To Next Page IconTo Next Page
To Previous Page IconTo Previous Page
To Previous Page IconTo Previous Page
Loading...
46
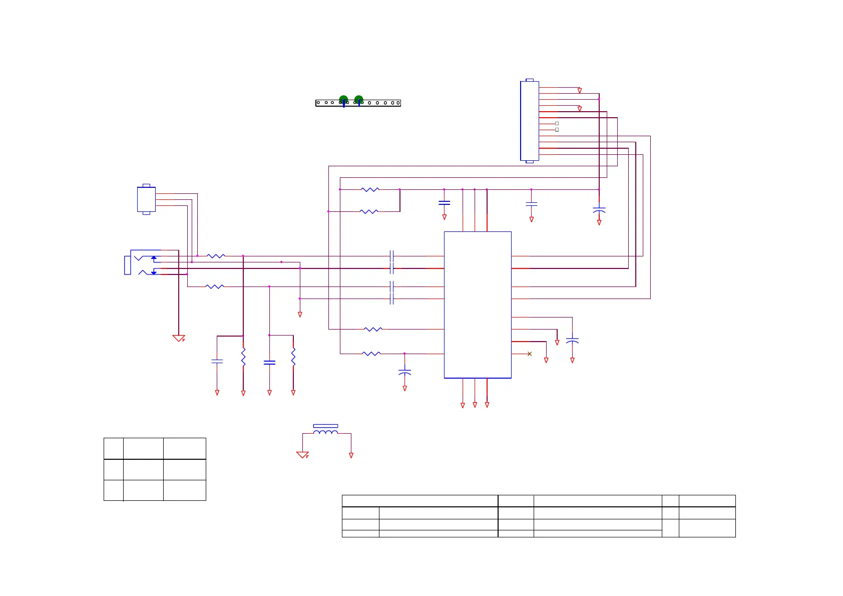
Audio board
R603
10K OHM
R604
10K OHM
GND
065G 60210352T
C602
0.47UF25V NC
R602
10K OHM
CN603
GND
CN602
GND
R605
NC
L-
L+
+
C609
1uF50V
065G 60262252T
GND
8OHM SPK
CN605
R+
R-
U601
EUA6021AIIT1
56G 616 40
1
2
3
4
5
6
7
8
9
10
11
12
13
14 15
16
17
18
19
20
PGND
ROUT-
PVDD
RIN+
RIN-
VDD
LIN-
LIN+
PVDD
LOUT-
PGND
LOUT+
NC
SHUTDOWN# FADE#
BYPASS
AGND
VOLUME
SE/BTL#
ROUT+
MUTE
R606
C607
0.47UF25V
GND
R611
10K OHM
C606 0.47UF25V
GND
FB601
BEAD
1 2
GND
C601
0.47UF25V
R607
22K OHM
CN604
NC
1
2
3
R605 10K OHM
065G 60227352T
GND
GND
GND
VCC
CN602
CONN
1
2
3
4
5
6
7
8
9
10
11
12
2W
GND
1
1W
NC
VOL
12
GND
GND
C605
0.47UF25V
NC
AUPC7QDA
B
acer X193HQ/X183 A4
22Saturday , July 05, 2008
715G2837-B
<
称爹
>
01 AUDIO
G2837-B-X-X-1-080310
OEM MOD EL Size
Rev
Date
Sheet
of
TPV MODEL
PCB NAME
称爹
T P V ( Top Victory Electronics Co . , Ltd. )
Key Component
+
C608
1uF50V
R601
10K OHM
GND
065G 60291252T
R604
GND
CN601
PHONEJACK
1
2
3
5
4
C611
0.001uF
GND
GND
R606
22K OHM
4OHM SPK
+
C604
100uF/16V
C603
0.47UF25V
C610
0.001uF
GND
http://www.wjel.net

Other manuals for Acer X193HQ

Related product manuals