EasyManua.ls Logo

Acteon XMIND TRIUM - Page 61

Acteon XMIND TRIUM
84 pages
Print Icon
To Next Page IconTo Next Page
To Next Page IconTo Next Page
To Previous Page IconTo Previous Page
To Previous Page IconTo Previous Page
Loading...
61
ENGLISH
Operator’s manual • X-Mind trium • V0G • (13) • 10/2017 • NTR0EN040G
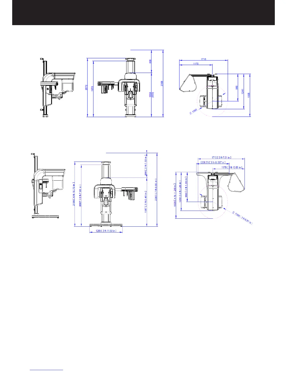
WITH SELF STANDING

Table of Contents

Related product manuals