EasyManua.ls Logo

Advantech Adam-4018 - Page 337

Advantech Adam-4018
398 pages
Print Icon
To Next Page IconTo Next Page
To Next Page IconTo Next Page
To Previous Page IconTo Previous Page
To Previous Page IconTo Previous Page
Loading...
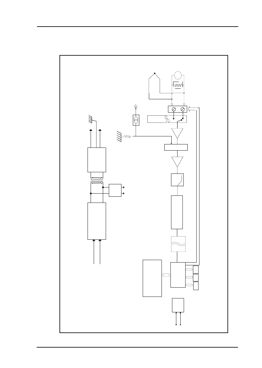
Appendix A Technical Specifications A-23
Appendix A
Figure A-9
ADAM-4018M Function Diagram
Rect &
Filter
Power
Converter
Power Input
+10 ~ +30 V
DC
+V
P.S.
+5 V GND
Power
Isolation
-V
16 BIT
A/D CONVERTER
MICRO
CONTROLLER
RS-485
COMM.
EEPROM
#
CONFIG DATA
#
ALARM SETTING
+
-
+IN
-IN
125
0.1 %
T/C+
T/C-
T/C
CJC
M
U
X
PGA
LPF
FILTER
10 Hz
PHOTO
ISOLATION
DATA+
DATA-
mV/V/mA
BUFFER
FLASH2 FLASH1
SRAM
#
#
#
#
#
#

Table of Contents

Related product manuals