EasyManua.ls Logo

Agilent Technologies E4445A - (E4440 A, E4443 A, E4445 A); Option 110 Assemblies

Agilent Technologies E4445A
436 pages
Print Icon
To Next Page IconTo Next Page
To Next Page IconTo Next Page
To Previous Page IconTo Previous Page
To Previous Page IconTo Previous Page
Loading...
Chapter 11 327
Assembly Replacement Procedures
RF Section E4440A, E4443A, E4445A
Option 110 Assemblies
(E4440A, E4443A, E4445A)
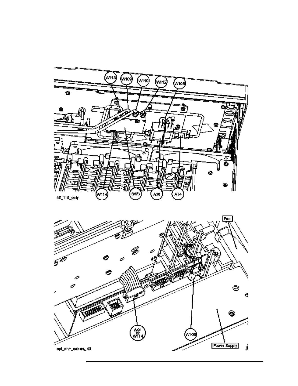
Figure 11-12 Option 110 Assemblies and Cables
Figure 11-13 Option Driver Board Cables

Table of Contents

Other manuals for Agilent Technologies E4445A

Related product manuals