EasyManua.ls Logo

AHT AC-S - Page 135

AHT AC-S
Print Icon
To Next Page IconTo Next Page
To Next Page IconTo Next Page
To Previous Page IconTo Previous Page
To Previous Page IconTo Previous Page
Loading...
135
3737
AHT Cooling Systems GmbH
13. Ártalmatlanítás
FIGYELEM: EPS hĘszigetelĘ anyag
A készüléket nem szabad normál hulladékként
kezelni, hanem kérjük ellenĘrizze az Ön
nemzeti WEEE-meghatározások esetén
alapján fennál kötelezettségeit és kérjük
adja át a készüléket az Ön ártalmatlanítással
foglalkozó WEEE partnercégének. Ügyeljen
rá, hogy eközben a csĘvezetékek ne
sérüljenek meg.
Nyomja meg a Standby-gombot)?
Van feszültség a dugaljban?
A lámpa nem világít (lásd a 8. fejezetet - Nyomja
meg a világítás gombot).
Ha az üzemzavart nem a fentiek okozzák, hívja fel a
vevĘszolgálatot / szervizpartnert.
15. Robbantott ábrák és alkatrészjegyzékek
A robbantott ábrák és az alkatrészlisták a szervizpartnernél
állnak rendelkezésre.
14. Mit kell tenni, ha…
FIGYELEM: Az elektromos berendezésen és
hĦtĘrendszeren csak szakemberek végezhetnek
munkát.
A készüléket az AHT bevizsgáló központban
gondosan ellenĘrizték teljesítmény és biztonság
szempontjából. Ha valamikor ennek ellenére
üzemzavar lépne fel, kérjük elĘször a következĘket
ellenĘrizze:
Be van dugva a hálózati dugasz?
Be van kapcsolva a készülék (lásd 8. fejezet -
Nyomja meg a Standby-gombot)?
Van feszültség a dugaljban?
MĦködik a kijelzĘ?
A lámpa nem világít (lásd a 8. fejezetet - Nyomja
meg a világítás gombot).
Ha az üzemzavart nem a fentiek okozzák, hívja fel a
vevĘszolgálatot / szervizpartnert.
15. Robbantott ábrák és alkatrészjegyzékek
A robbantott ábrák és az alkatrészlisták a szervizpartnernél
állnak rendelkezésre.
16. Konformitätserklärung / Declaration of Conformity
H
MEGFELELėSÉGI NYILATKOZAT
Megfelelöségi Nyilatkozat
H
MEGFELELėSÉGI NYILATKOZAT
A gyártó, az
AHT Cooling Systems GmbH
A-8786 ROTTENMANN
gyártó cég kijelenti, hogy a jelen üzemeltetési és karbantartási utasítás 1. oldalán feltüntetett készülékek megfelelnek az EWR
irányelveknek, a 2004/108/EG és a 2006/95/EG elĘírásainak.
A készülékek tervezése és építése során az alábbi normák kerültek felhasználásra a mindenkor érvényes változatban:
EN 378:2008; EN ISO 23953:2005; EN 60335-1:2002 + A11:2004 + A1:2004 + A12:2006 + A13:2008; EN 60335-2-89:2002 + A11:2004 +
A1:2005; EN 50366:2003 + A1:2006; EN 55014-1:2000 + A1:2001 + A2:2002; EN 55014-2:1997 + A1:2001; EN 55015:2006; EN 61000-3-
Valamint a PROPAN R290 készülékek esetében: IEC / EN 60079-15:2005
Rottenmann, 06.02.2009
2:2006; EN 61000-3-3:1995 +A1:2001 + A2:2005; EN 61000-3-11:2000
gyártó cég kijelenti, hogy a jelen üzemeltetési és karbantartási utasítás 1. oldalán feltüntetett készülékek megfelelnek az EWR irányelveknek, a
2004/108/EG és a 2006/42/EG elöírásainak.
A készülékek tervezése és építése során az alábbi normák kerültek felhasználásra a mindenkor érvényes változatban: EN 378:2008; EN ISO 23953:2005;
EN 60335-1:2002 + A11:2004 + A1:2004 + A12:2006 + A13:2008 + Corr. + A2:2006; EN 60335-2-89:2002 + A11:2004 + A1:2005;
EN 62233:2008 + Ber1:2008; EN 55014-1:2000 + A1:2001 + A2:2002; EN 55014-2:1997 + A1:2001; EN 55015:2006; EN 61000-3-2:2006; EN
61000-3-3:1995 + A1:2001 + A2:2005; EN 61000-3-11:2000
Rottenmann, 17.12.2009
Techn. Geschäftsführer
Chief operating of¿ cer
Direction technique
Entwicklungsleiter
R & D Manager
Responsable recherche
et développement
Dugja be a hálózati csatlakozót és üzemeltesse a
készüléket 2 órán kereszl.
Pakolja vissza az árukat
*) Szükség esetén
11. A készülék üzemen kívül helyezése
hosszabb idĘre
Szedje ki az összes árut
Húzza ki a hálózati dugvillát
A berendezés megtisztítása az alap- és a fĘtisztítás
alapján
Helyltoztatás esetén az állítólábak
magasságállítása (lásd az 5. fejezetet)
12. Lámpacsere
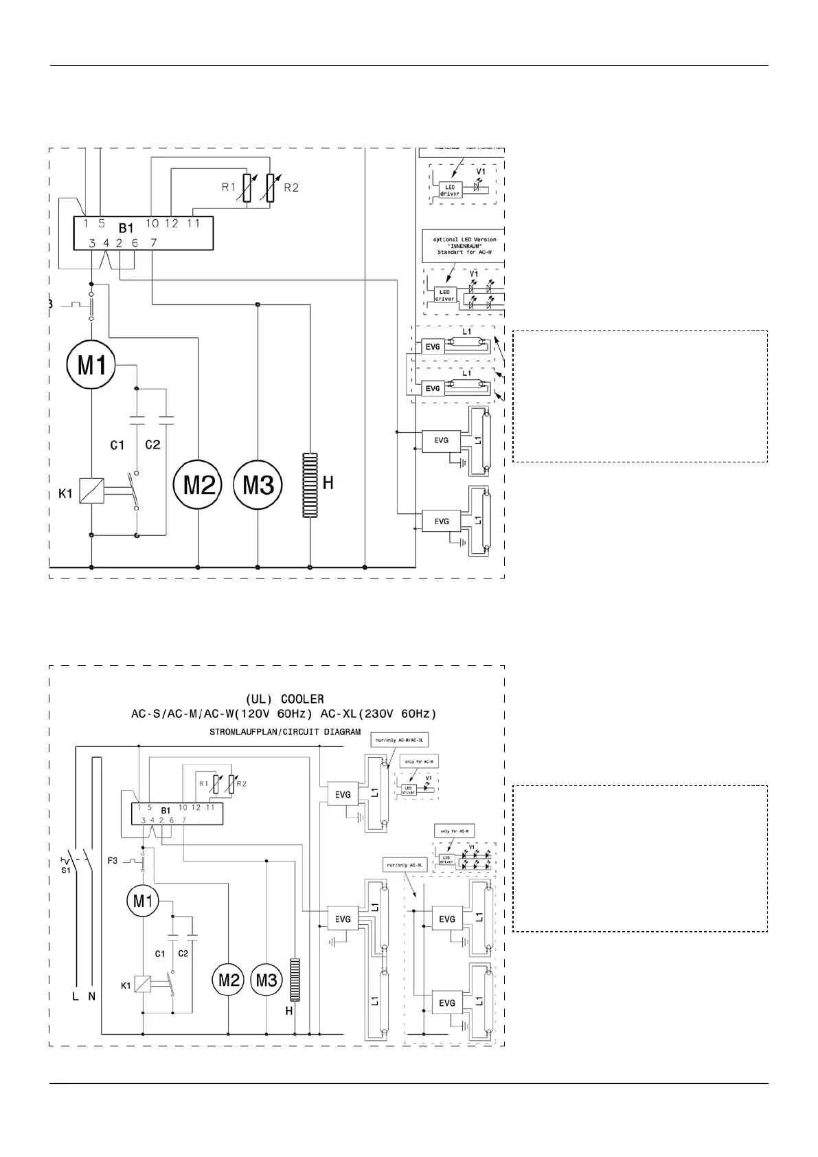
17. készülékek kapcsolási rajza / Circuit Diagrams
S1 - fökapcsoló / main switch
B1 - elektronikus száblyzó / controller
K1 - inditórelé / starting relais
C1 - inditókondenzátor / starting capacity
C2 - üzemi kondenzátor / running capacity
F3 - túlterhelés-védelem / terminal fuse
M1 - kompresszor / compressor
M2 - ventilátor motor / fan
M3 - elpárologtató ventilátor / evaporator fan
H - Fűtés
EVG - elektronikus elötét egység / electronic ballast
L1 - fénycsö világitás / lamp
V1 - LED lámpa / LED light
R1/R2 - hömérséket érzékelö / temperature sensor
B1 - elektronikus száblyzó / controller
K1 - inditórelé / starting relais
C1 - inditókondenzátor / starting capacity
C2 - üzemi kondenzátor / running capacity
F3 - Túlterhelés-védelem / terminal fuse
M1 - kompresszor / compressor
M2 - Kondenzátor ventilátor / fan
M3 - elpárologtató ventilátor / evaporator fan
EVG - elektronikus elötét egység / electronic ballast
L1 - fénycsö világitás / lamp
V1 - LED lámpa / LED light
R1/R2 - hömérséket érzékelö / temperature sensor
H - tüzelés / heater
AHT Cooling Systems GmbH
2
1. Allgemeine Angaben
Vor der Aufstellung und Inbetriebnahme dieses Gerätes
sind die bei Ihnen geltenden gewerberechtlichen Be-
stimmungen zu beachten.
AHT-Geräte sind frei von PCB, PCT, Asbest, Formalde-
hyd, Cadmium und benetzungsstörenden Substanzen.
Das Kältemittel R404A ist vom Kyoto-Protokoll erfasst
und weist ein Treibhauspotential (GWP) von 3784 auf.
2. Leistungsschild und Seriennummer
Für die Installation und Wartung sind die Angaben auf
dem "Leistungsschild" zu beachten. Dieses befindet
sich oben auf der Innenseite (Innenraum) des Gerätes.
Angaben über Seriennummer, Gerätetyp, Kältemittel
sowie elektronischen Daten finden Sie auf dem Leis-
tungsschild.
3. Anwendung
ACHTUNG: Nicht auf das Gerät steigen.
Betreiben Sie das Gerät in einem Temperaturbereich
von 16°C (60,8F) bis max. 25°C (77°F), bei einer
maximalen Luftfeuchtigkeit von 60% rH, laut Klimaklas-
se 3.
Dieses Gerät ist ausschließlich für die Aufbewahrung
und Präsentation von gehlten, abgepackten bzw. in
Flaschen oder Dosen abgefüllten Lebensmittel geeig-
net.
ACHTUNG: Eine andere oder darüber hinaus-
gehende Nutzung des Getes gilt als nicht
bestimmungsgeß.
Befüll
en Sie das Gerät maximal nur bis zur Stapelmar-
ke (siehe Kap. 7). Blockieren Sie keinesfalls interne Lüf-
tungsgitter, da sonst die Luftzirkulation nicht aufrecht
erhalten werden kann.
4. Auspacken und Handhabung
ACHTUNG: Um das Get vor Scden zu be-
wahren, darf das Gerät nur in Gebrauchslage
transportiert und gelagert werden. Nichtbeach-
tung hat den Verlust der Gewährleistung zur
Folge.
Wird das Gerät beim Transport geneigt, warten
Sie mit der Inbetriebnahme mind. 2 Stunden, um
Defekte zu vermeiden.
Vor und beim Auspacken des Gerätes muss eine Sicht-
kontrolle durchgeführt werden, um eventuelle Trans-
portschäden festzustellen. Bitte achten Sie auf Beulen,
Kratzer, etc.
Eventuelle Schäden sind sofort AHT / Vertriebspartner
zu melden. Im Übrigen gelten die AHT Geschäftsbedin-
gungen.
Vor Entsorgung des Verpackungsmaterials, dieses bitte
auf lose Funktionsteile kontrollieren.
5. 5. Aufstellung
ACHTUNG: Die Stellfüße an der Unterseite müssen
unbedingt ausgerichtet sein, sonst besteht
Kippgefahr!
ACHTUNG: Gerät keiner direkten Sonnen-
bestrahlung aussetzen.
Das Gerät nicht im Freien aufstellen.
Halten Sie unbedingt den vorgeschriebenen Ab-
stand zur ckwand (10cm, 3.94“) ein! Montieren
Sie hierzu den mitgelieferten Wandabstandhalter an
der Rückseite des Gerätes (siehe Montageanleitung).
Eine „Rücken an Rücken“ Platzierung ohne Zwi-
schenwand ist nicht zulässig!
Die Abluftöffnungen an der Oberseite/Rückseite des
Geräts müssen freigehalten werden, deshalb keine
Gegenstände auf das Gerät stellen.
Am Gerät befinden sich an der Unterseite Transport-
rollen zur leichteren Manipulation (Ortsveränderung)
des Geräts und Stellfüße an der vorderen Unterseite
zur stabilen Aufstellung (siehe unterhalb).
Stellfuß:
Achten Sie auf stabile und horizontale Ausrichtung
des Gerätes. Dazu muss der Stellfuß henverstellt
werden. Die beiden Stellfüße befinden sich an der
vorderen Unterseite unter dem vorderen Lüftungsgit-
ter, neben den Transportrollen. Der kunststoffbe-
schichtete Stellfuß kann durch Rechts- und Linksdre-
hen höhenverstellt werden (siehe Detailbeschrei-
bung unten). Das Gerät muss dabei nicht geöffnet
werden.
Detailbeschreibung Stellfuß:
Auf eine stabile und waagrechte Ausrichtung des Ge-
rätes achten.
Je Produktfach ist eine Beladung von maximal 35kg
zulässig.
Stellfuß
Höhenverstellung
Vorderes Lüftungsgitter
Produktfach
Transportrolle
Innenraum
D
A
A

Table of Contents

Other manuals for AHT AC-S

Related product manuals