EasyManua.ls Logo

Allett C34 EVOLUTION - Page 43

Allett C34 EVOLUTION
48 pages
Print Icon
To Next Page IconTo Next Page
To Next Page IconTo Next Page
To Previous Page IconTo Previous Page
To Previous Page IconTo Previous Page
Loading...
AM81687-A
Original Instructions – English 43
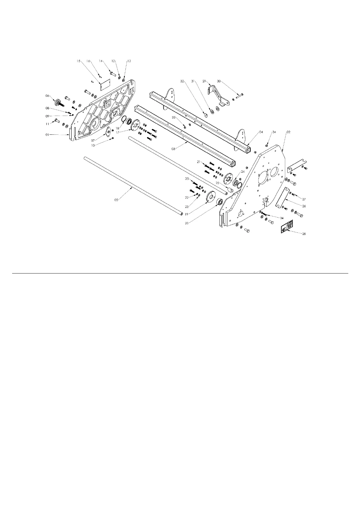
MAIN CHASSIS ASSEMBLY
Figure 11
ITEM NO.
DESCRIPTION
PART NO.
QUANTITY
01
DRIVE SIDE PLATE RHS
C1714
1
02
DRIVE SIDE PLATE LHS
C1713
1
03
FRONT CHASSIS RAIL FAB
C392
1
04
CHASSIS RAIL FAB
C391
1
05
CHASSIS CROSS BAR
C1793
2
06
C34E CART LOCKING WHEEL ASSY
C105
1
07
LOCATING BOSS PLATE
C238
1
08
M6x10 SOCKET DOME FLANGE SCREW
M620SDF
2
09
WASHER M6 Form A
WM6
2
10
NUT M6 NYLOC
NNM6
2
11
SET SCREW M12 X 30
SM1230
4
12
SPRING WASHER M12 Z/C
SWM12
8
13
WASHER M12
WM12
8
14
SET SCREW M12
SM1240
4
15
PRO ELECTRIC SERIAL PLATE
AM81696
1
16
POP RIVET4.8 DIA X16mm STEEL
PR4820
2
17
R/ROLLER BEARING CAP
C1783
2
18
DIA 47 INTERNAL CIRCLIP
AM81572
2
19
CYL BEARING CAP
C1784
2
20
BEARING ANGULAR CONTACT
AM81436
1
21
SET SCREW M8x35
SM835
12
22
SPRING WASHER M8
SWM8
12
23
PLAIN WASHER M8 FORM C
WM8
16
24
BEARING
f016l13786
1
25
LOCATING STOP BOSS
C1154
1
26
GUARD BRACKET
C1798
2
27
SET SCREW M8 X 20
SM820
4
28
Guard Missing Decal
T000493
1
29
KICK STAND
C1843
1
30
SET SCREW M8 X 70
SM870
1
31
1/2" BELVILLE WASHER
AM81649
2
32
KICKSTAND SPACER
C1747
1
33
NUT M8 PLAIN
NM8
1
34
SET SCREW M8 x 40
SM840
1
35
SET SCREW M8 x 35
SM835
3

Related product manuals